EasyManua.ls Logo

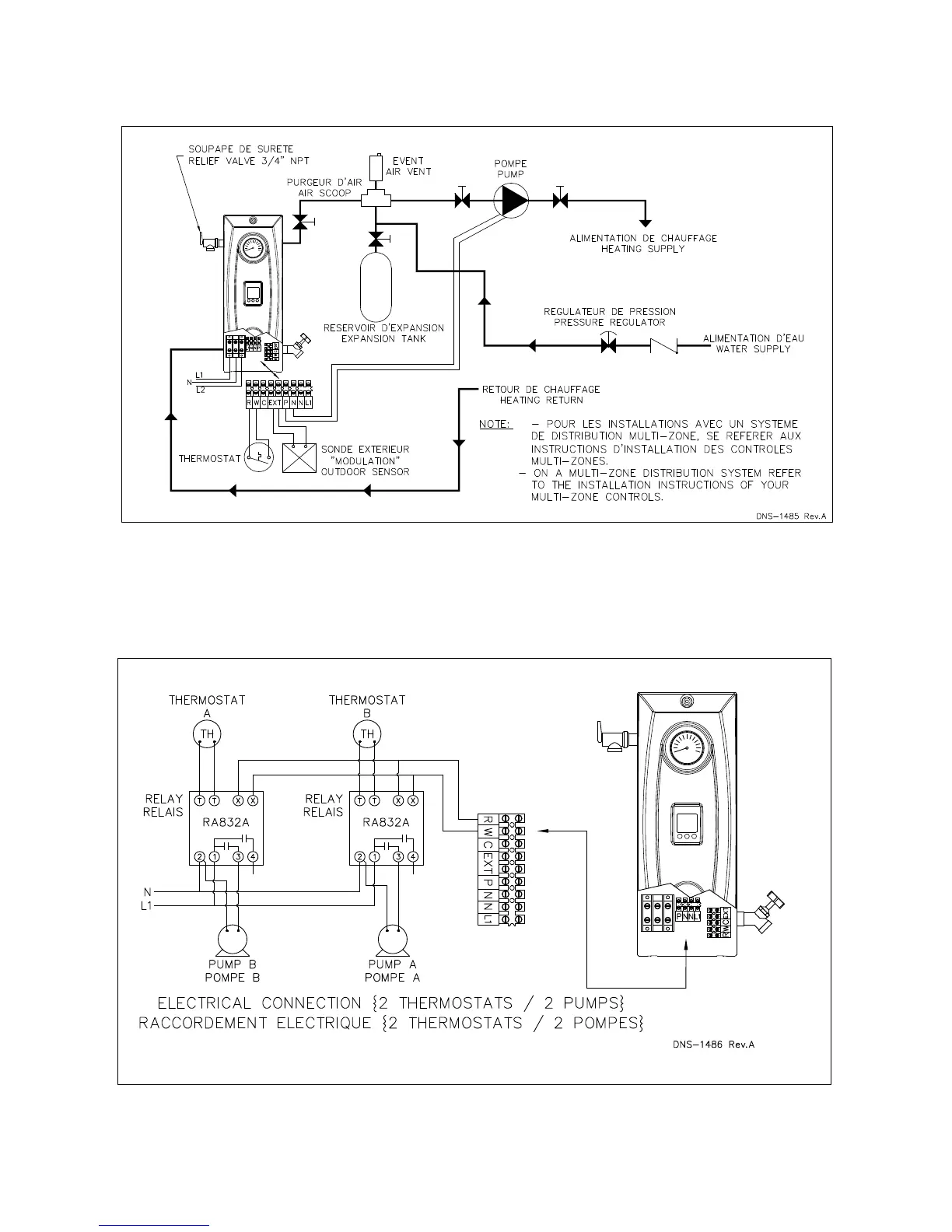
Dettson HYDRAT15-E2401M - Figure 6: Multi-Zone Diagram with more than One Circulator; Figure 5: Typical Diagram of a Single Zone Installation

Dettson HYDRAT15-E2401M
22 pages
Print Icon
To Next Page IconTo Next Page
To Next Page IconTo Next Page
To Previous Page IconTo Previous Page
To Previous Page IconTo Previous Page
Loading...
Figure 5 Typical Diagram of a Single Zone Installation
ELECTRONIQUE
CHAUDIERE ELECTRIQUE. SCHEMA D'INSTALLATION GÉNÉRAL
ELECTRIC BOILER - GENERAL INSTALLATION DIAGRAM
Figure 6 Multi-zone Diagram with more than one Circulator
16

Related product manuals