EasyManua.ls Logo

DeWalt DCS690 - Page 37

DeWalt DCS690
59 pages
Print Icon
To Next Page IconTo Next Page
To Next Page IconTo Next Page
To Previous Page IconTo Previous Page
To Previous Page IconTo Previous Page
Loading...
ESPAÑOL
35
Español (traducido de las instrucciones originales)
¡ADVERTENCIA! Lea todas las
advertencias de seguridad e
instrucciones. El incumplimiento de
las advertencias e instrucciones puede
provocar descargas eléctricas, incendios
o lesionesgraves.
ADVERTENCIA: Para reducir el
riesgo de lesiones, lea el manual
deinstrucciones.
Si tiene alguna duda o algún comentario
sobre ésta u otra herramienta
DeWALT
, llámenos al número gratuito:
1-800-4-
DeWALT
(1-800-433-9258).
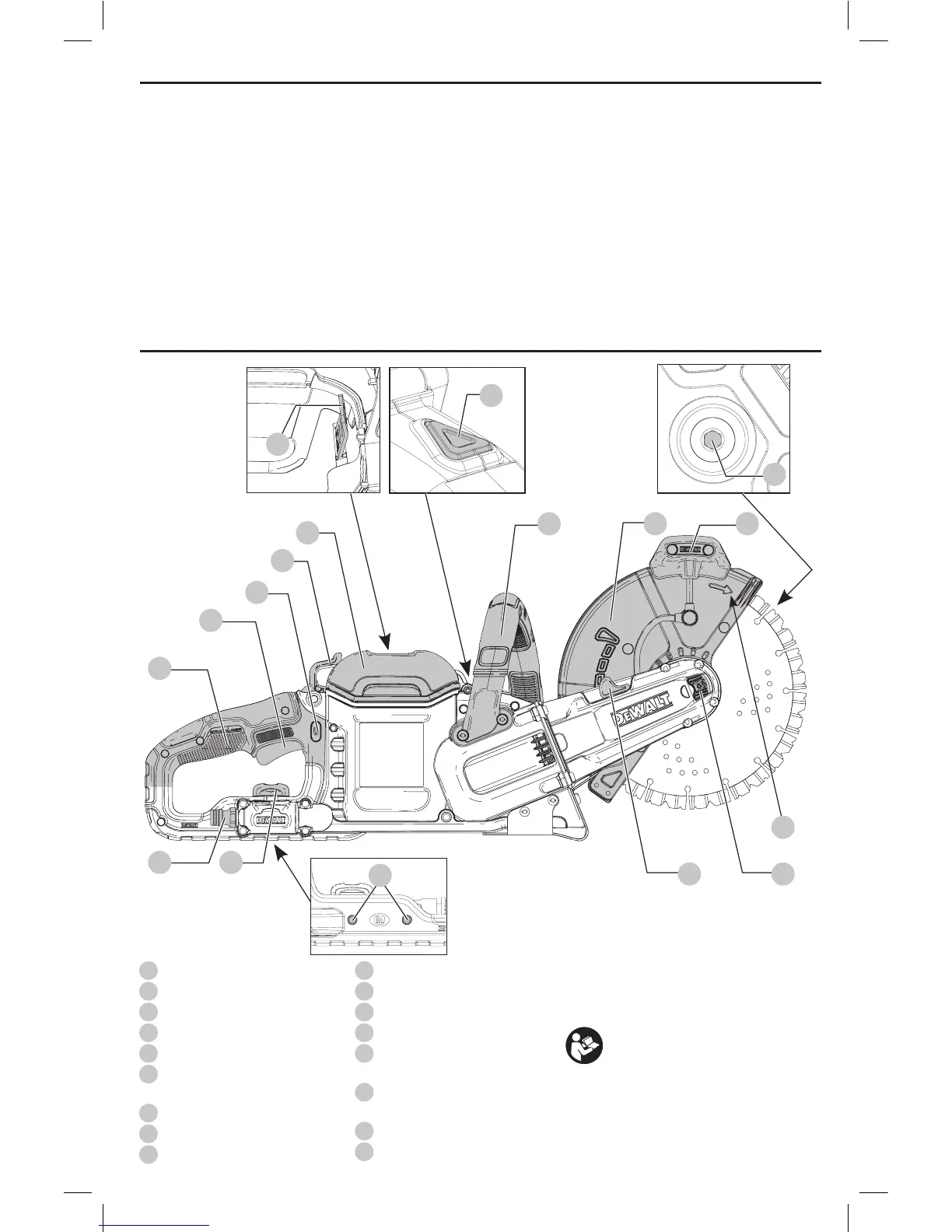
1
Manija trasera
2
Interruptor de gatillo
3
Botón de bloqueo de apagado
4
Seguro de puerta de batería
5
Puerta de batería
6
Llave de 13mm (1/2") y
almacenamiento
7
LED de indicador de carga pesada
8
Manija delantera
9
Protección
10
Manija de rotación de protección
11
Tornillo de eje
12
Indicador de rotación de cuchilla
13
Botón de bloqueo de husillo
14
Palanca de liberación de rotación
de protección
15
Orificios de montaje de etiqueta
de herramienta
16
Válvula de agua
17
Entrada de agua
Definiciones: Símbolos y palabras de alerta de seguridad
Este manual de instrucciones utiliza los siguientes símbolos y palabras de alerta de seguridad para alertarle de situaciones
peligrosas y del riesgo de lesiones corporales o daños materiales.
PELIGRO: Indica una situación de peligro inminente que, si no se evita, provocará la muerte o lesionesgraves.
ADVERTENCIA: Indica una situación de peligro potencial que, si no se evita, podría provocar la muerte o
lesionesgraves.
ATENCIÓN: Indica una situación de peligro potencial que, si no se evita, posiblemente provocaría lesiones leves
omoderadas.
(Utilizado sin palabras) indica un mensaje de seguridad relacionado.
AVISO: Se refiere a una práctica no relacionada a lesiones corporales que de no evitarse puede resultar en daños a
la propiedad.
Fig. A
15
2
1
8 9
16
7
3
13
5
17
14
11
6
4
10
12

Related product manuals