EasyManua.ls Logo

Dexter Laundry T600 - Page 78

Dexter Laundry T600
98 pages
Print Icon
To Next Page IconTo Next Page
To Next Page IconTo Next Page
To Previous Page IconTo Previous Page
To Previous Page IconTo Previous Page
Loading...
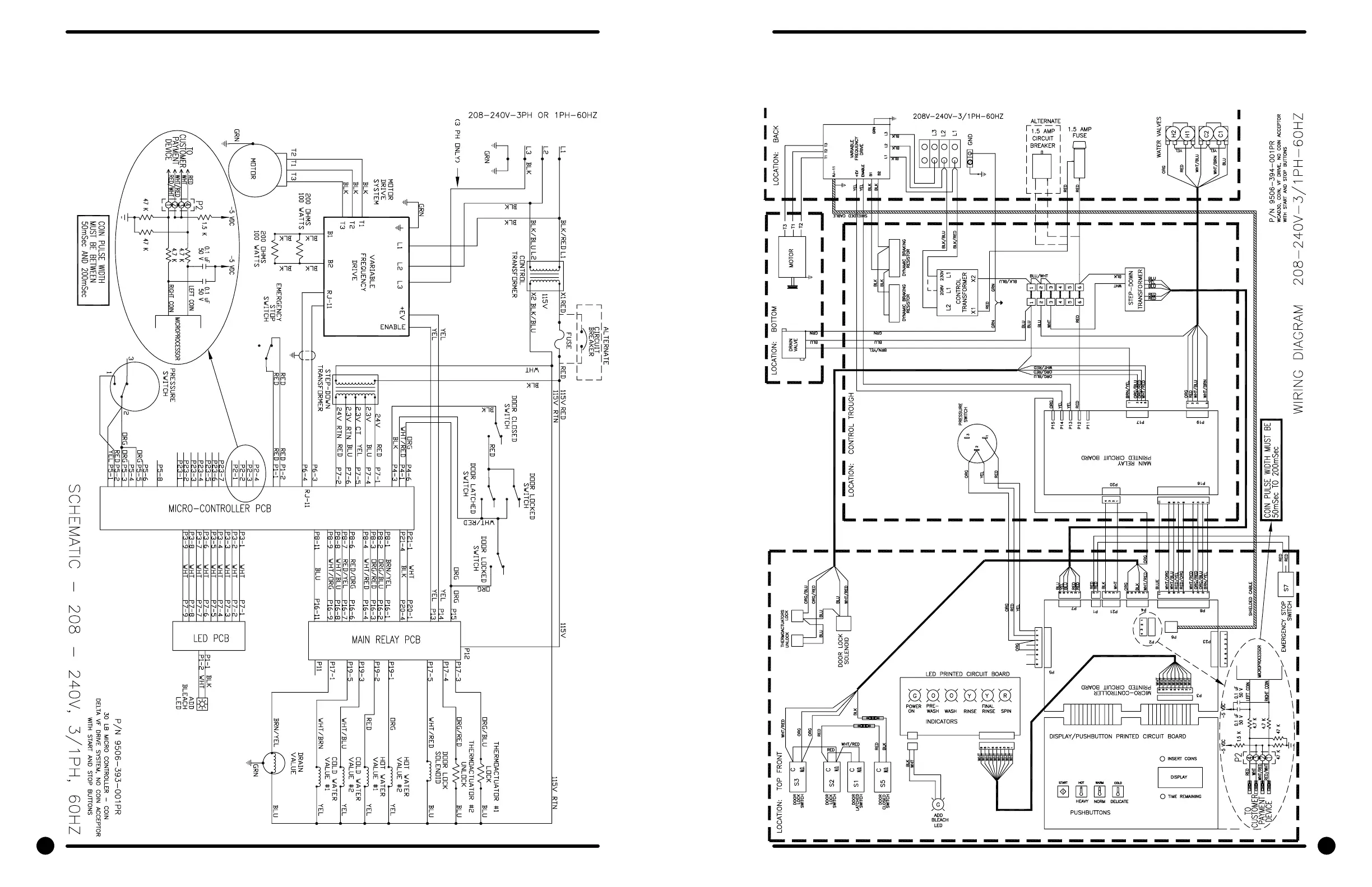
30Lb. Express: Non-Express:
CN (No Coin Acceptor) Schematic 208-240 Volt Wiring
30Lb. Express: Non-Express:
CN (No Coin Acceptor) Schematic 208-240 Volt Wiring
154 155
Part # 8533-072-001 3/22 Part # 8533-072-001 3/22
Machine
Mounting
Installation
& Operation
Programming
Trouble-
shooting
Machine
Service
Electrical
Wiring
Parts
Data
Coin
Handling
50Hz
Parts
Maintenance
Service Elec.
Compnents

Table of Contents

Other manuals for Dexter Laundry T600

Related product manuals