EasyManua.ls Logo

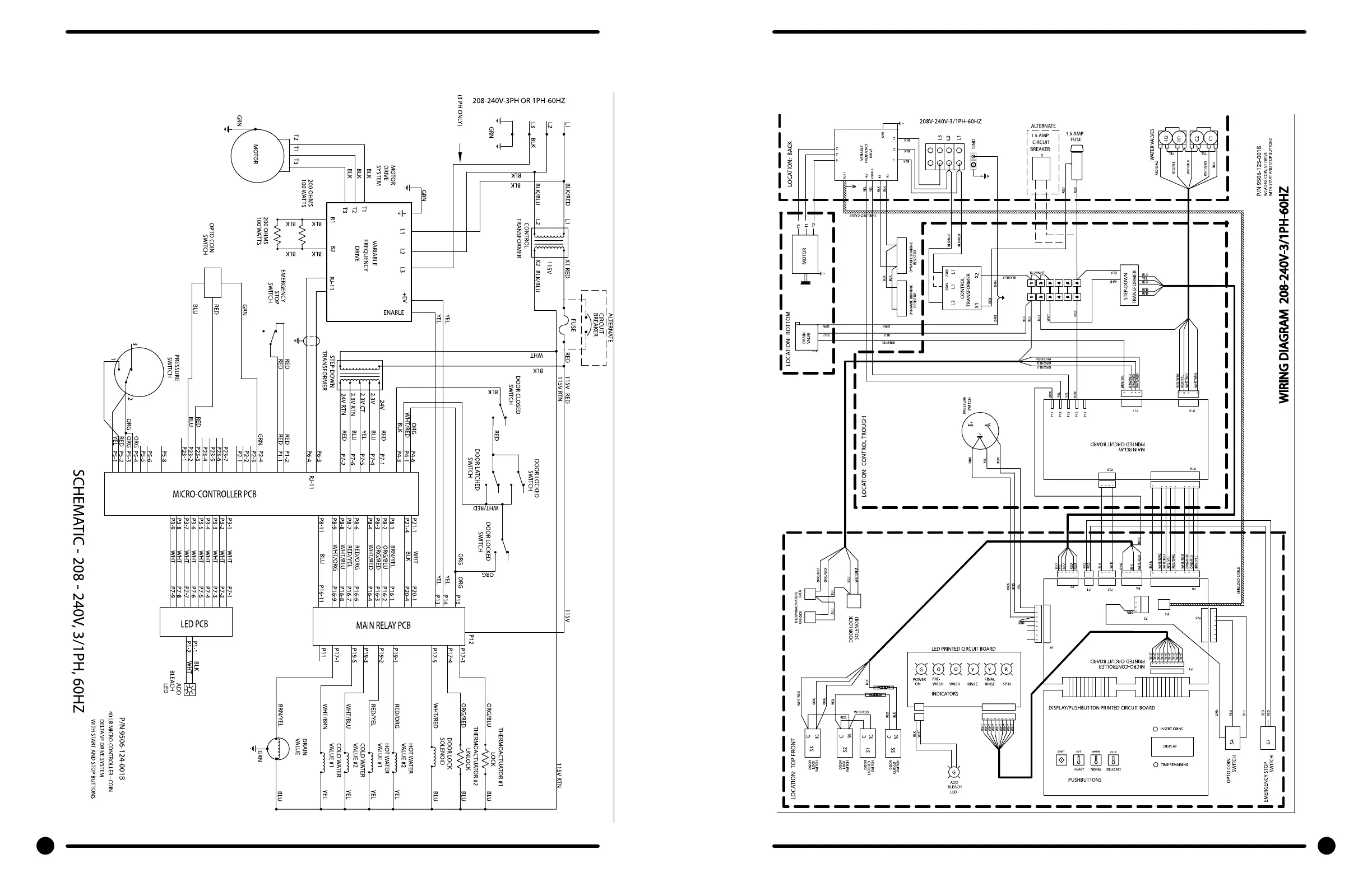
Dexter Laundry T600 - 40 lb Non-Express: U.S. Optical Acceptor; Schematic 208-240 V; Diagram 208-240 V

Dexter Laundry T600
98 pages
Print Icon
To Next Page IconTo Next Page
To Next Page IconTo Next Page
To Previous Page IconTo Previous Page
To Previous Page IconTo Previous Page
Loading...
40lb Non-Express: U.S. Optical Acceptor Schematic 208-240V 40lb Non-Express: U.S. Optical Acceptor Diagram 208-240V
158 159
Part # 8533-072-001 3/22 Part # 8533-072-001 3/22
Machine
Mounting
Installation
& Operation
Programming
Trouble-
shooting
Machine
Service
Electrical
Wiring
Parts
Data
Coin
Handling
50Hz
Parts
Maintenance
Service Elec.
Compnents

Table of Contents

Other manuals for Dexter Laundry T600

Related product manuals