EasyManua.ls Logo

Dexter Laundry T600 - Page 89

Dexter Laundry T600
98 pages
Print Icon
To Next Page IconTo Next Page
To Next Page IconTo Next Page
To Previous Page IconTo Previous Page
To Previous Page IconTo Previous Page
Loading...
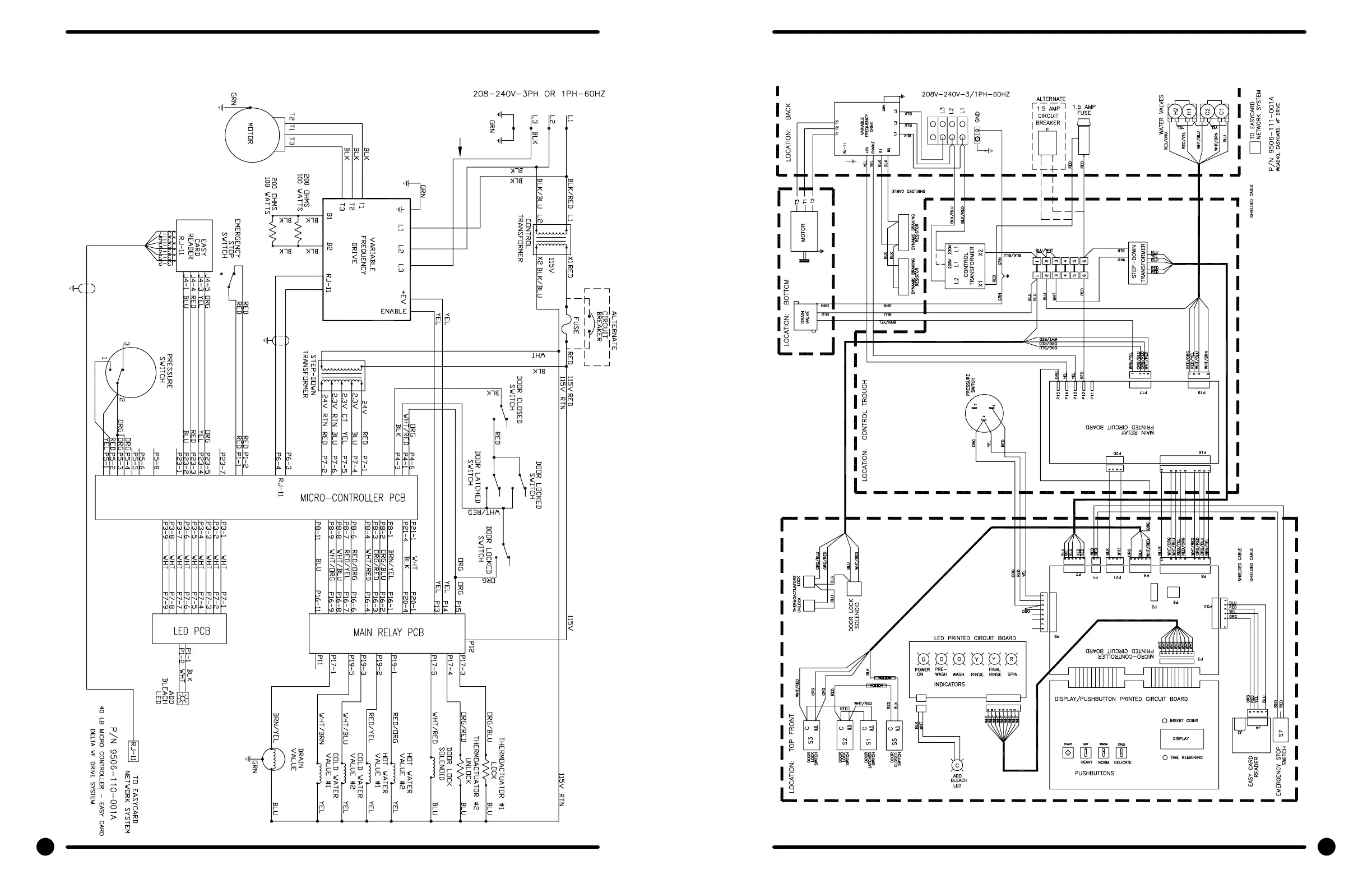
IEC Maxi Load 40Lb. Non-Express: Wiring Schematic IEC Maxi Load 40Lb. Non-Express: Wiring Diagram
176 177
Part # 8533-072-001 3/22 Part # 8533-072-001 3/22
Machine
Mounting
Installation
& Operation
Programming
Trouble-
shooting
Machine
Service
Electrical
Wiring
Parts
Data
Coin
Handling
50Hz
Parts
Maintenance
Service Elec.
Compnents

Table of Contents

Other manuals for Dexter Laundry T600

Related product manuals