EasyManua.ls Logo

Dimplex 26 - Wiring Diagram

Dimplex 26
13 pages
Print Icon
To Next Page IconTo Next Page
To Next Page IconTo Next Page
To Previous Page IconTo Previous Page
To Previous Page IconTo Previous Page
Loading...
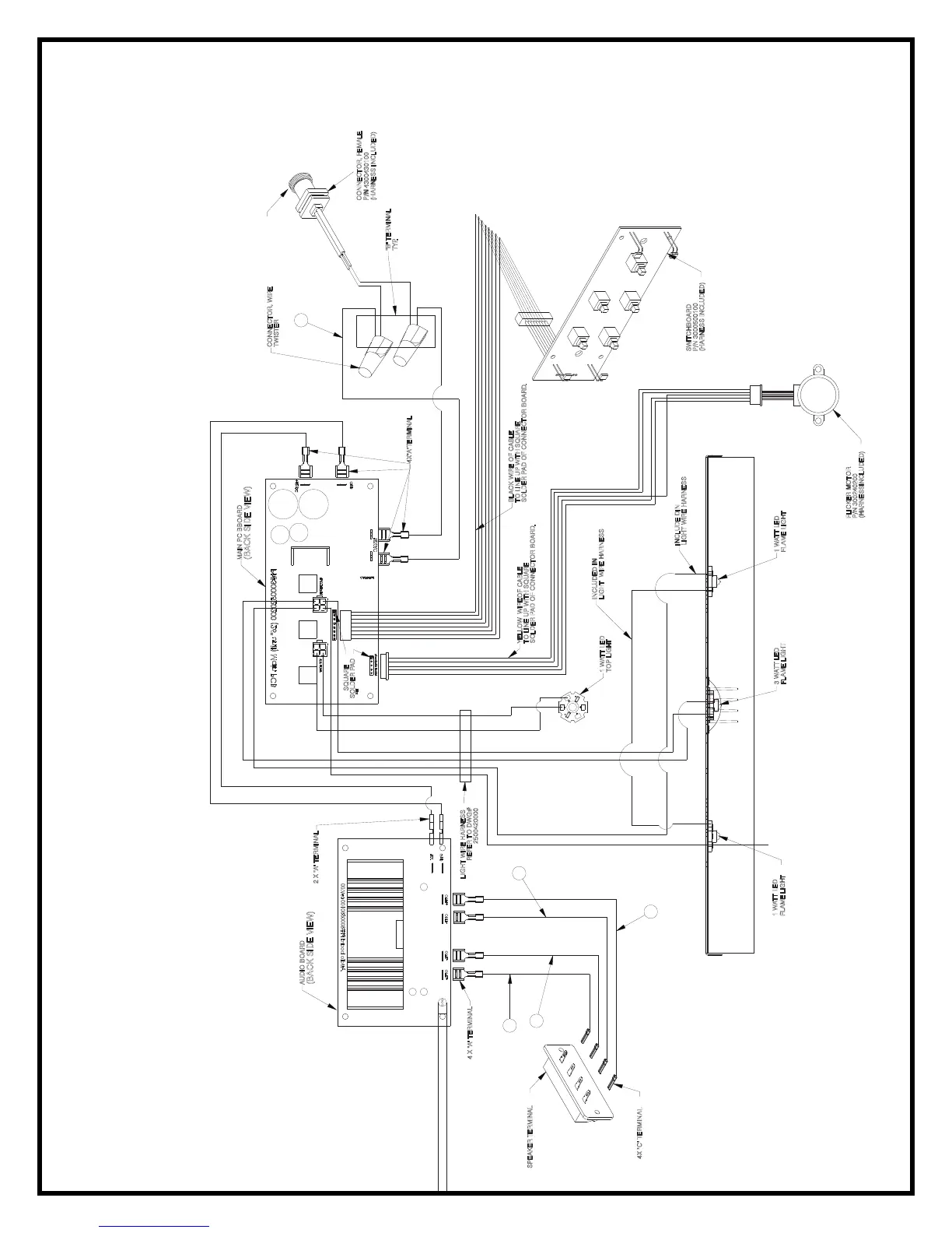
5
YELLOWWIREOFCABLE
TOLINEUPWITHSQUARE
SOLDERPADOFCONNECTORBOARD.
LIGHTWIREHARNESS
REFERTODWG#
2500420000
INCLUDEDIN
LIGHTWIREHARNESS
INCLUDEDIN
LIGHTWIREHARNESS
MAINPCBBOARD
(BACKSIDEVIEW)
BLACKWIREOFCABLE
TOLINEUPWITHSQUARE
SOLDERPADOFCONNECTORBOARD.
1WATTLED
FLAMELIGHT
1WATTLED
FLAMELIGHT
3WATTLED
FLAMELIGHT
1WATTLED
TOPLIGHT
CONNECTOR,WIRE
TWISTER
"B"TERMINAL
TYP.
FLICKERMOTOR
P/N300240200
(HARNESSINCLUDED)
AUDIOBOARD
(BACKSIDEVIEW)
SWITCHBOARD
P/N3000500100
(HARNESSINCLUDED)
CONNECTOR,FEMALE
P/N4300430100
(HARNESSINCLUDED)
4X"A"TERMINAL
SPEAKERTERMINAL
4X"C"TERMINAL
2X"A"TERMINAL
4X"A"TERMINAL
SQUARE
SOLDERPAD
WIRING DIAGRAM

Related product manuals