EasyManua.ls Logo

Dimplex 6900640559 - Wiring Diagram; Mod 0-B; Mod C-E

Dimplex 6900640559
13 pages
Print Icon
To Next Page IconTo Next Page
To Next Page IconTo Next Page
To Previous Page IconTo Previous Page
To Previous Page IconTo Previous Page
Loading...
7
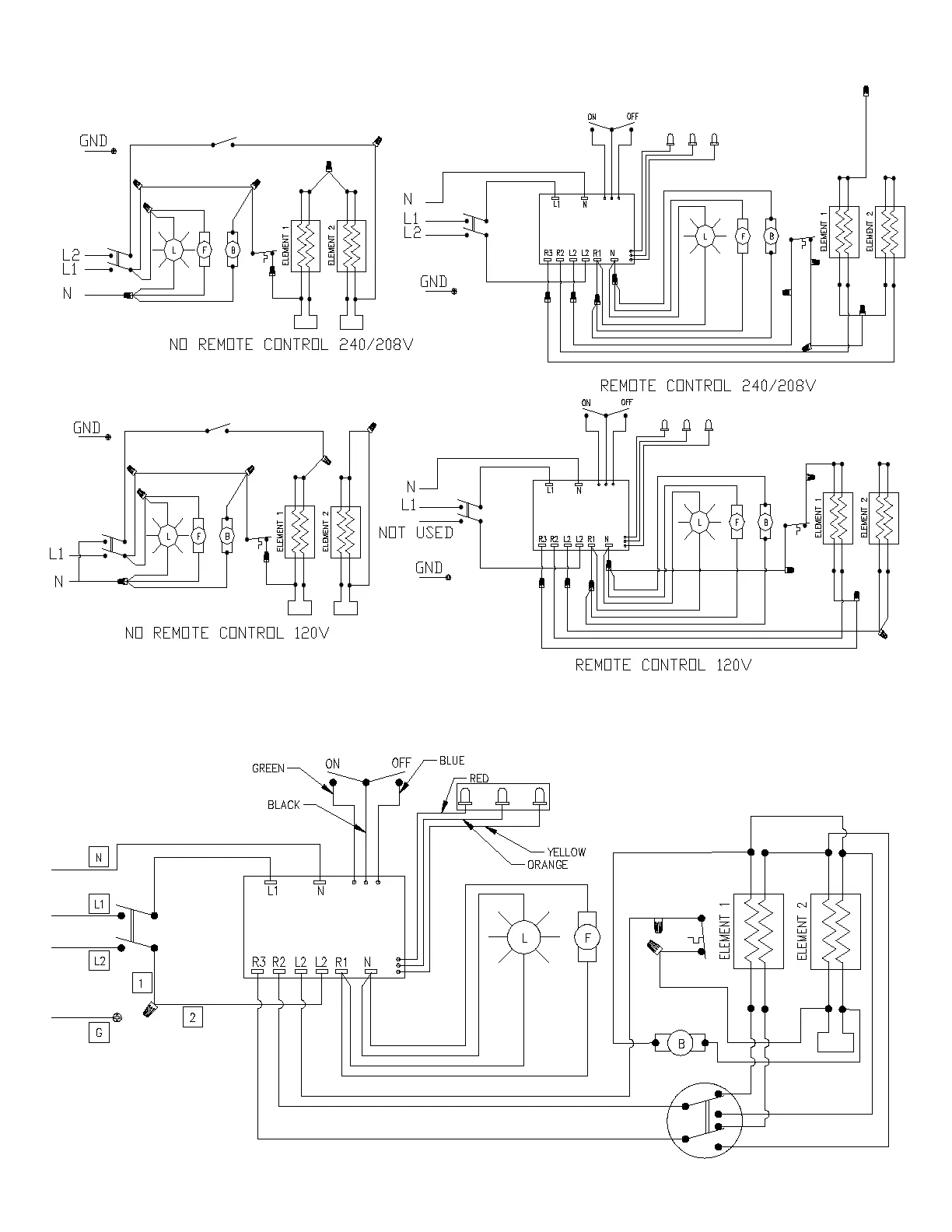
Wiring Diagram
Mod 0-B
Mod C-E

Related product manuals