EasyManua.ls Logo

Dimplex 6909660300 - Cassette Plumbing

Dimplex 6909660300
18 pages
Print Icon
To Next Page IconTo Next Page
To Next Page IconTo Next Page
To Previous Page IconTo Previous Page
To Previous Page IconTo Previous Page
Loading...
7
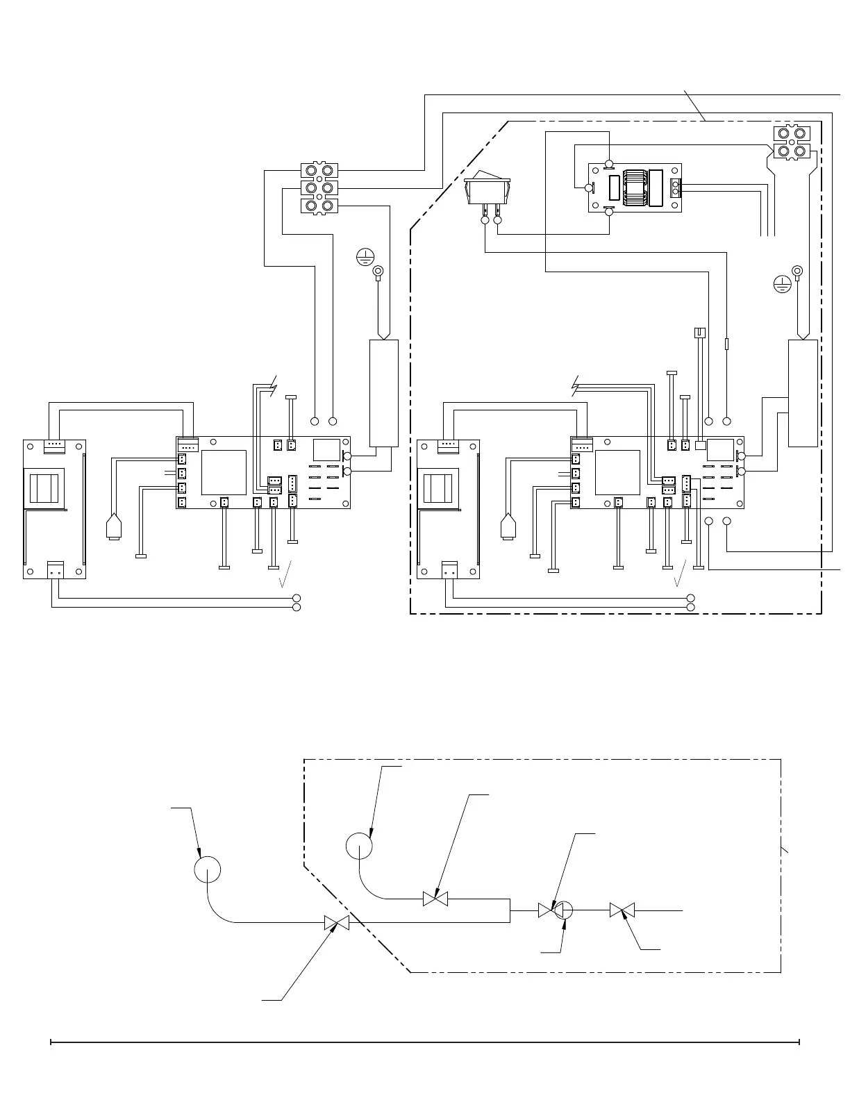
Wiring Diagram
COMMUNICATION LINK
GREEN/YELLOW
N3 L3
SS SS
V+
V-
N
L
N2
L2
SS
SS
V+V-
24v Input
V+
V-
N
L
N1 L1
SS SS
N4
N3 L3
N2 L2
N1 L1
SS
SS
SWITCH
BOARD
RELAY
LED DRIVER BOARD
ELEMENT
2WAY
REED
3WAY
REED
SOLENOID
FILL1
DC FAN
MOTOR
FUELBED
TRANSDUCER 1
BLUE
BROWN
BT
RECEIVER
N2
L2
SS
SS
N1 L1
SS SS
N4
N3 L3
N2 L2
N1 L1
V+V-
SS
SS
SWITCH
BOARD
SOLENOID
MAIN
RELAY
LED DRIVER BOARD
ELEMENT
SS SS
2WAY
REED
3WAY
REED
SOLENOID
FILL1
SPEAKER
DC FAN
MOTOR
FUELBED
TRANSDUCER 1
24v Input
SS
SS
SS
WHITE
BLACK
FILL CAP 2
WATER SUPPLY IN
INLET SOLENOIND VALVE
STOP VALVE
SOLENOIND VALVE 1
(SV IN)
SOLENOIND VALVE 2
(SV F1)
(SV F2)
FILL CAP 1
FILTER
CDFI500
Water Flow Diagram
CDFI500
(BALL VALVE)
level sensor
level sensor
optional 2nd
transudcer
optional 2nd
transudcer
Fuse wire

Other manuals for Dimplex 6909660300

Related product manuals