EasyManua.ls Logo

Dimplex NBDF2608 - Wiring Diagram - DF2608; NBDF2608

Dimplex NBDF2608
18 pages
Print Icon
To Next Page IconTo Next Page
To Next Page IconTo Next Page
To Previous Page IconTo Previous Page
To Previous Page IconTo Previous Page
Loading...
6
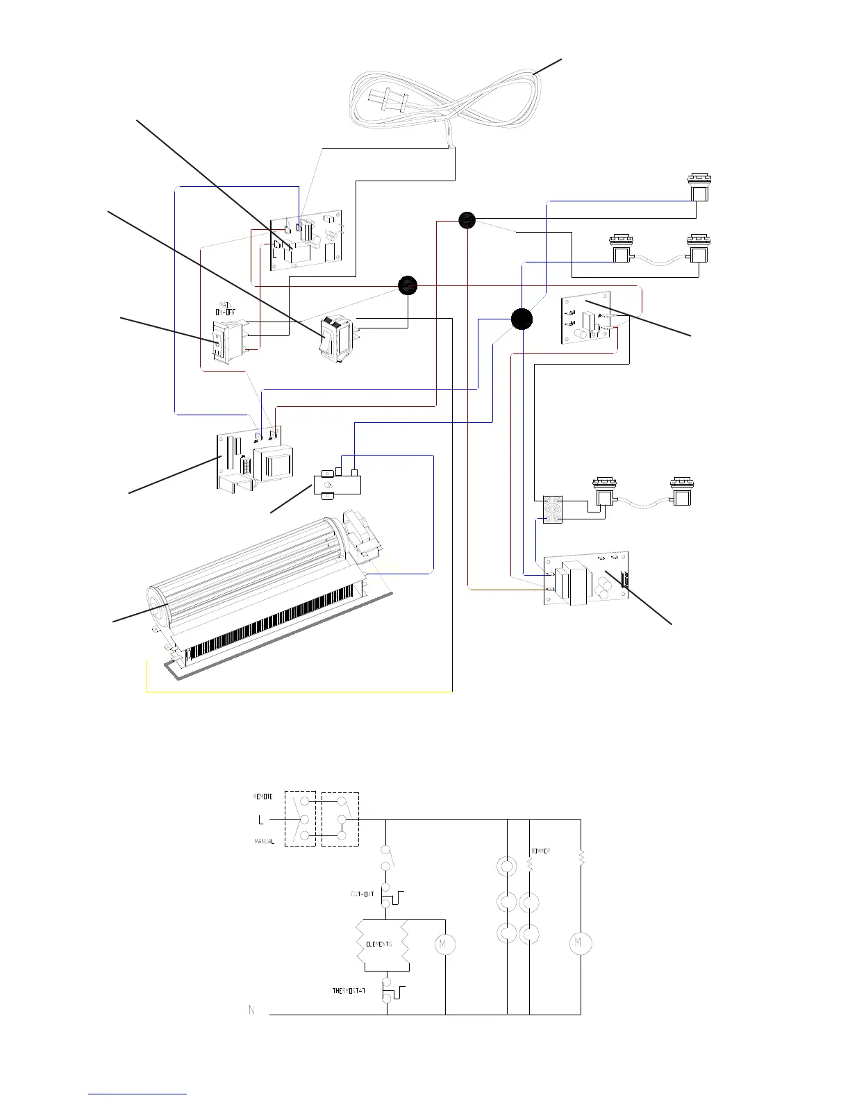
Wiring Diagram - DF2608 / NBDF2608
Power
Cord
Log Set
Driver
Heater
Assembly
Thermostat
3-Position
Switch
Heater
Switch
Remote Control
Receiver
Light Dimmer
Control
Flame Speed
Control

Other manuals for Dimplex NBDF2608

Related product manuals