EasyManua.ls Logo

Dimplex SI 11ME - 4 Hydraulisches Prinzipschema; Hydraulic Plumbing Diagram; Schéma Hydraulique; Darstellung; Schematic View; Représentation

Dimplex SI 11ME
24 pages
Print Icon
To Next Page IconTo Next Page
To Next Page IconTo Next Page
To Previous Page IconTo Previous Page
To Previous Page IconTo Previous Page
Loading...
A-XII
Anhang · Appendix · Annexes
4
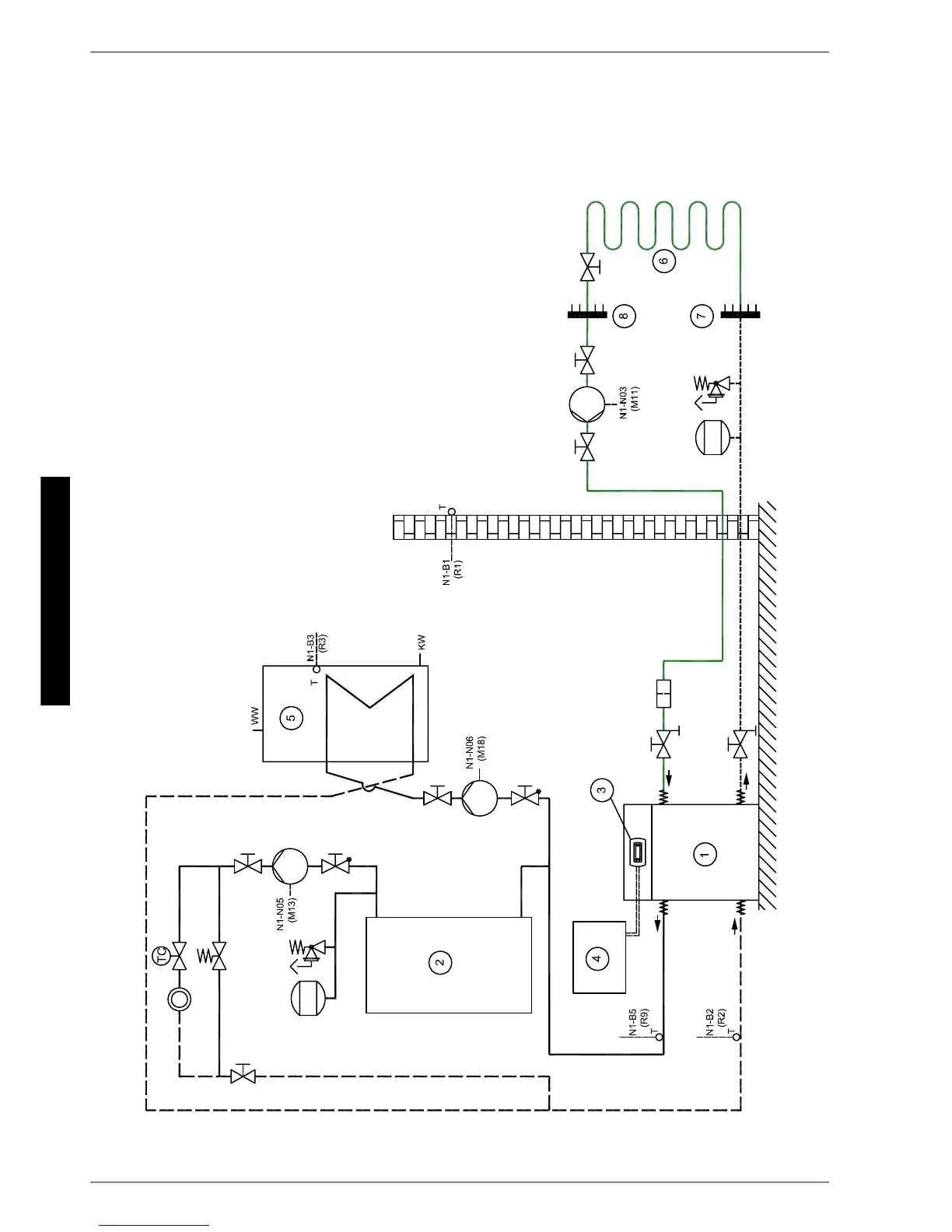
4 Hydraulisches Prinzipschema / Hydraulic Plumbing
Diagram / Schéma hydraulique
4.1 Darstellung / Schematic View / Représentation

Table of Contents

Related product manuals