EasyManua.ls Logo

Dimplex SI 30TE - Last; Load; Charge

Dimplex SI 30TE
Print Icon
To Next Page IconTo Next Page
To Next Page IconTo Next Page
To Previous Page IconTo Previous Page
To Previous Page IconTo Previous Page
Loading...
A-VI 452234.66.10 · FD 9407 www.dimplex.de
Anhang · Appendix · Annexes
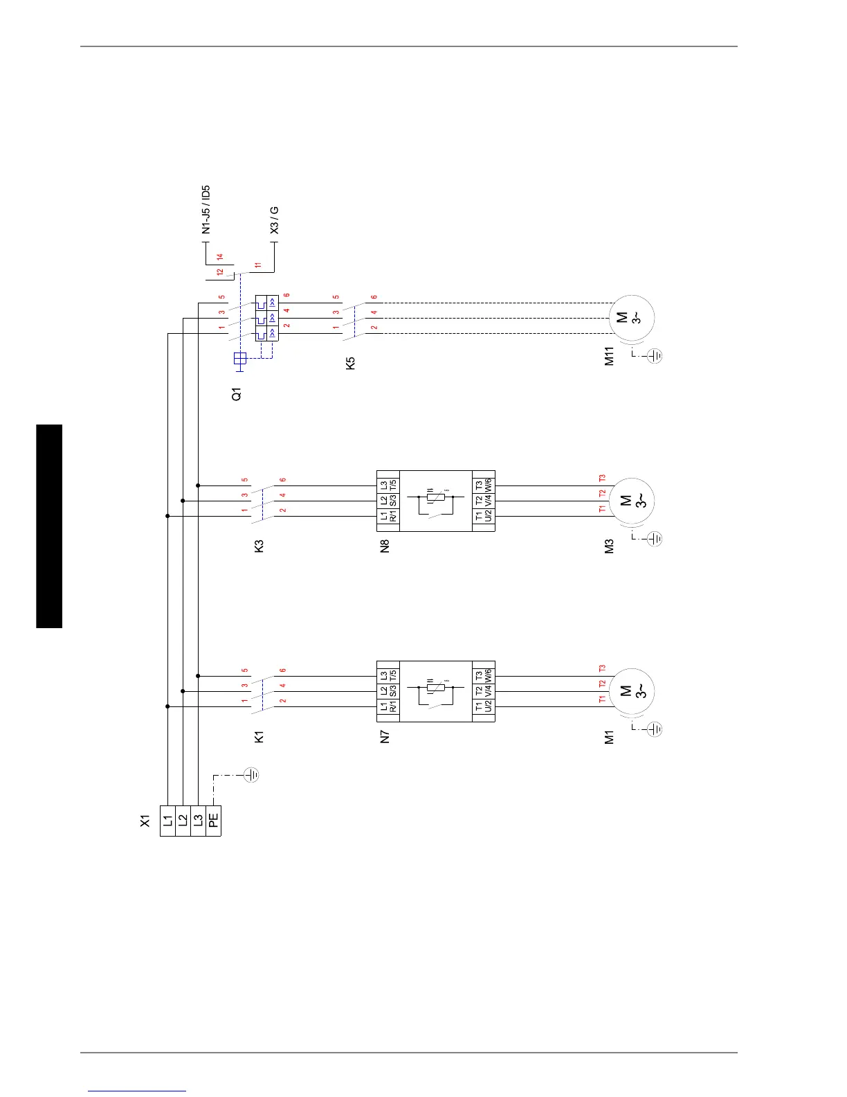
SI 30TE
2.2 Last / Load / Charge

Table of Contents

Related product manuals