EasyManua.ls Logo

Dimplex SI 30TE - Anschlussplan; Terminal Diagram; Schéma de Branchement

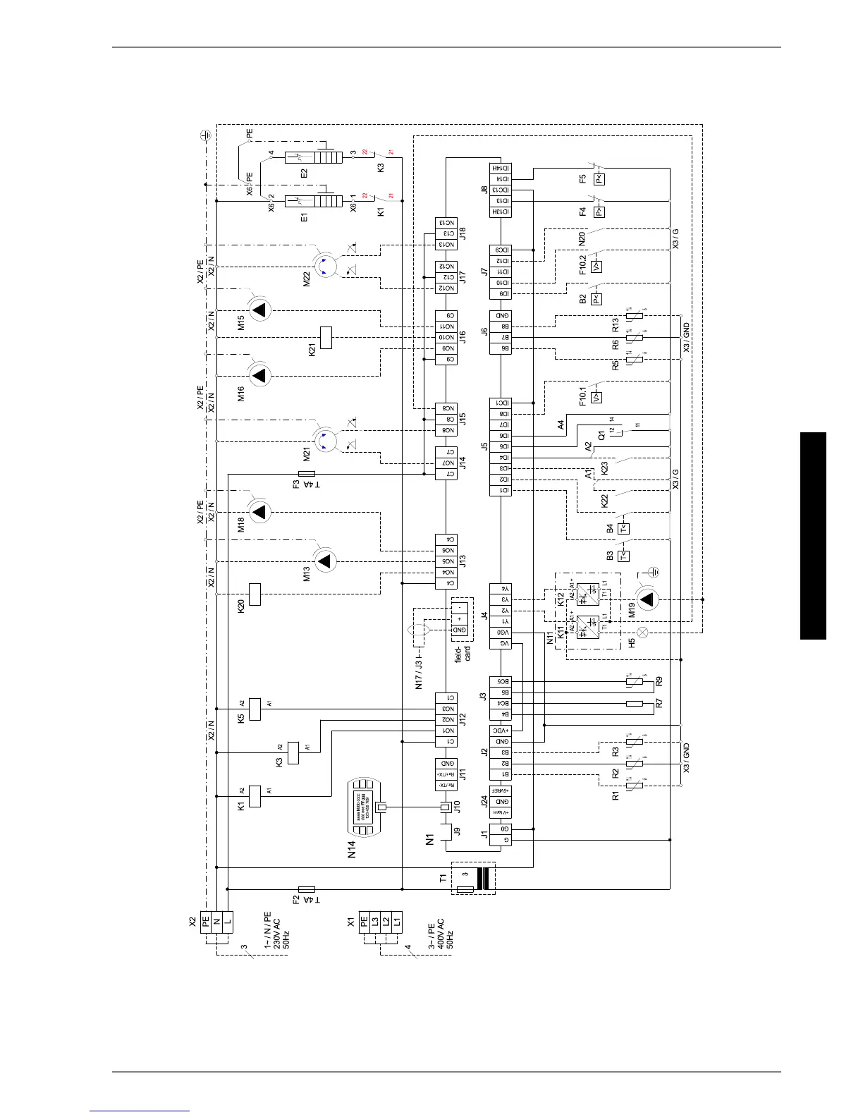
Dimplex SI 30TE
Print Icon
To Next Page IconTo Next Page
To Next Page IconTo Next Page
To Previous Page IconTo Previous Page
To Previous Page IconTo Previous Page
Loading...
www.dimplex.de 452234.66.10 · FD 9407 A-VII
Anhang · Appendix · Annexes
SI 30TE
2.3 Anschlussplan / Terminal diagram / Schéma de branchement

Table of Contents

Related product manuals