EasyManua.ls Logo

Dimplex SYMPHONY SF5598 - Replacement Parts List and Schematic

Dimplex SYMPHONY SF5598
17 pages
Print Icon
To Next Page IconTo Next Page
To Next Page IconTo Next Page
To Previous Page IconTo Previous Page
To Previous Page IconTo Previous Page
Loading...
6
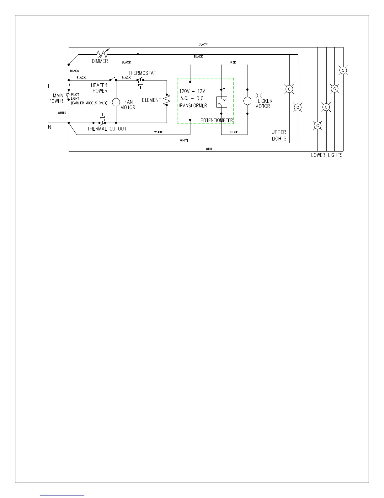
SYMPHONY ELECTRIC FIREPLACE
RREPLACEMENT PARTS
SF SERIES FIREPLACES
SYMPHONY
\CATALOGUE NO. SF5598 SF5598 SF5598
PART NO. 6900240459 6900240459 6900240459
MOD. LEVEL None Mod A & B Mod C
REPLACEMENT PART REPLACEMENT PART NO.
1. GLASS 6900100500 6900100500 6900100500
2. GRILL 6900080159 6900080159 6900080159
3. LOG SET 0437960100 0437960100 0437960100
4. MIRROR 6900100300 6900100300 6900100300
5. POWER ON/OFF SWITCH 2800070100 2800070100 2800070200
6. LIGHT DIMMER KNOB 8800000100 8800000100 8800000800
7. FLAME SPEED KNOB 8800000200 8800000200 8800000200
8. HEATER ON/OFF SWITCH 2800070200 2800070200 2800070200
9. THERMOSTAT KNOB 8800000300 8800000300 8800000300
10.THERMOSTAT 2300150100 2300150100 2300150100
11.FLAME PROJECTION PANEL 0437970100 0437970100 0437970100
12.LIGHT BLOCK NOT AVAILABLE NOT AVAILABLE NOT AVAILABLE
13.LOWER LIGHT HARNESS 2500090100 2500090100 2500090100
14.UPPER LIGHT HARNESS 2500080100 2500080100 2500080100
15.D.C. MOTOR 6900140100 2000150100 2000150100
16.SUPPORT FOOT 8800090100 8800090100 8800090100
17.REFLECTOR ROTISSERIE 6900190300 6900190400 6900190400
18.HEATER ASSEMBLY 2200290600 2200290600 2200290600
19.LIGHT DIMMER 2800020100 2800020100 2800020100
20.FLAME SPEED CONTROL 3000180300 3000180300 3000180300

Related product manuals