EasyManua.ls Logo

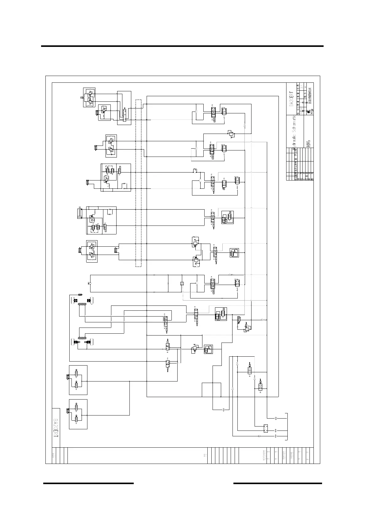
DINGLI BA22ERT - 8.3.1 Hydraulic Schematics

DINGLI BA22ERT
111 pages
Print Icon
To Next Page IconTo Next Page
To Next Page IconTo Next Page
To Previous Page IconTo Previous Page
To Previous Page IconTo Previous Page
Loading...
Operation & Maintenance Manual Section8-Schematics
Dingli Machinery
8-2
8.3.1 Hydraulic Schematics
A1 M16x1.5
B1 M16x1.5
7/16-20UNF
V1
V2
7/16- 20UNF
V
Va
jib
J
M18x1.5
M14x1.5M14x1.5
M14x1.5
M14x1.5
U pper lifting
L ower lifting
T
M18x1.5
M18x1.5
M18x1.5
M18x1.5
M18x1.5
M18x1.5
OSL
PLU
PLD
CB2
M18x1.5 V1 M18x1.5V2
M16x1.5 V2M16x1.5 V1
C1 C2
C1 C2
V1 V2
Rotating
telescopic
leveling
swing
CE
P
M16x1.5
T
M16x1.5
A2 M 16x1.5
B2
M16x1.5
M16x1.5
V1
M16x1.5
V2
C1
C2
SU
SD
PU
PD
PE
PR
PR2
PR1
RD
PRMP 064-EN-1-00-50
OSR
STL
CV08-NP-2-B-00
CV4
CB3
M18x1.5 M18x1.5
M18x1.5
M18x1.5
M18x1.5 M18x1.5
M18x1.5
M18x1.5
M18x1.5
N ote: The schematic is applied to
BA20ERT and BA22ERT.
CB1
160bar
CP448-1-B-0-E-B-230-4.5-040
CB2
CV08-NP-0.3-B-00
CV1
SVP08-NOR-10D-DE-B-00SV2
PC
P
TP1
PT
CP308-2-B-0-E-2.0
Front Rear
Oscillating
SVP08-NOR-10D-DE-B-00
SV1
T
P1
P2
P3
C1 C2
T
C1 C2
T
160bar
CP448-1-B-0-E-B-230-4.5-040
CB1
RV08-DR-2-E-90-B-00
RV1
PSV10-NC
PSV08-34-05-12D-DE-12-B-00
PSV6
PR
XMP 06
CP124-1
CP124-1
LV4
EC10-32-0-N-150
FP2
CP124-1-B-0
LV2
ND
CP610-7-B-0-E
CV08-NP-0.3-B-00
CV5
CP700-4-B-0-150
FP5
SV08-34-05-10D-DE-B-00
SV3a
CP308-2-B-0-E-1.0
CP124-1
LV6
CP700-4-B-0-150
CP700-4-B-0-150
FP4
CP700-4-B-0-040
PSV4
PSV10-NC
SV4
SV10-34-05
FP6
CP700-4-B-0-040
PSV10-34-05-12D-DE-22-B-00
PSV5
CP124-1
LV5
SV5
SV10-34-05
PSV10-NC
CV08-NP-0.3-B-00
CV2
CV08-NP-0.3-B-00
CV3
BR
SV7
SV10-34-02
CP200-7
PSV08-34-05-12D-DE-12-B-00
PSV2
SV6
SV10-34-04
STR
SV8
SV08-23-01
M18x1.5
F
OL
OR
OR1
SV1a
SV2a
PRa
SV8a
SV6a
SV6b
SV7a
SV7b
PSV2a
PSV2b
SV3
SV3b
SV5a SV5b
PSV4a
SV4a
SV4b
PSV5a
PSV5b
PSV6a
PSV6b
AB
AB
Aa
Ba
Aa
Ba
SV9
SV9a
CV4
STR1
STL1
TRL
TRR
CB-A
CB- B
CB-E
CB-F
CB-G
25bar
105bar
CE1
PV1
PV70-30
FR50-23
FR2
PV70-30
PV2
FR1
FR50-23
EV1
EV10-S34
DR
L
CB-D
B2
MB
B
A
MA
A2
A1
B1
L
M
N
V
W
Ma
SV1
CV1 CV2
SV1a
B2
MB
B
MA
A2
L
Ma
SV1
CV1
CV2
SV1a
U

Table of Contents

Related product manuals