EasyManua.ls Logo

DINGLI S0812E - Page 87

Default Icon
95 pages
Print Icon
To Next Page IconTo Next Page
To Next Page IconTo Next Page
To Previous Page IconTo Previous Page
To Previous Page IconTo Previous Page
Loading...
OPERATOR’S MANUAL with Maintenance Information
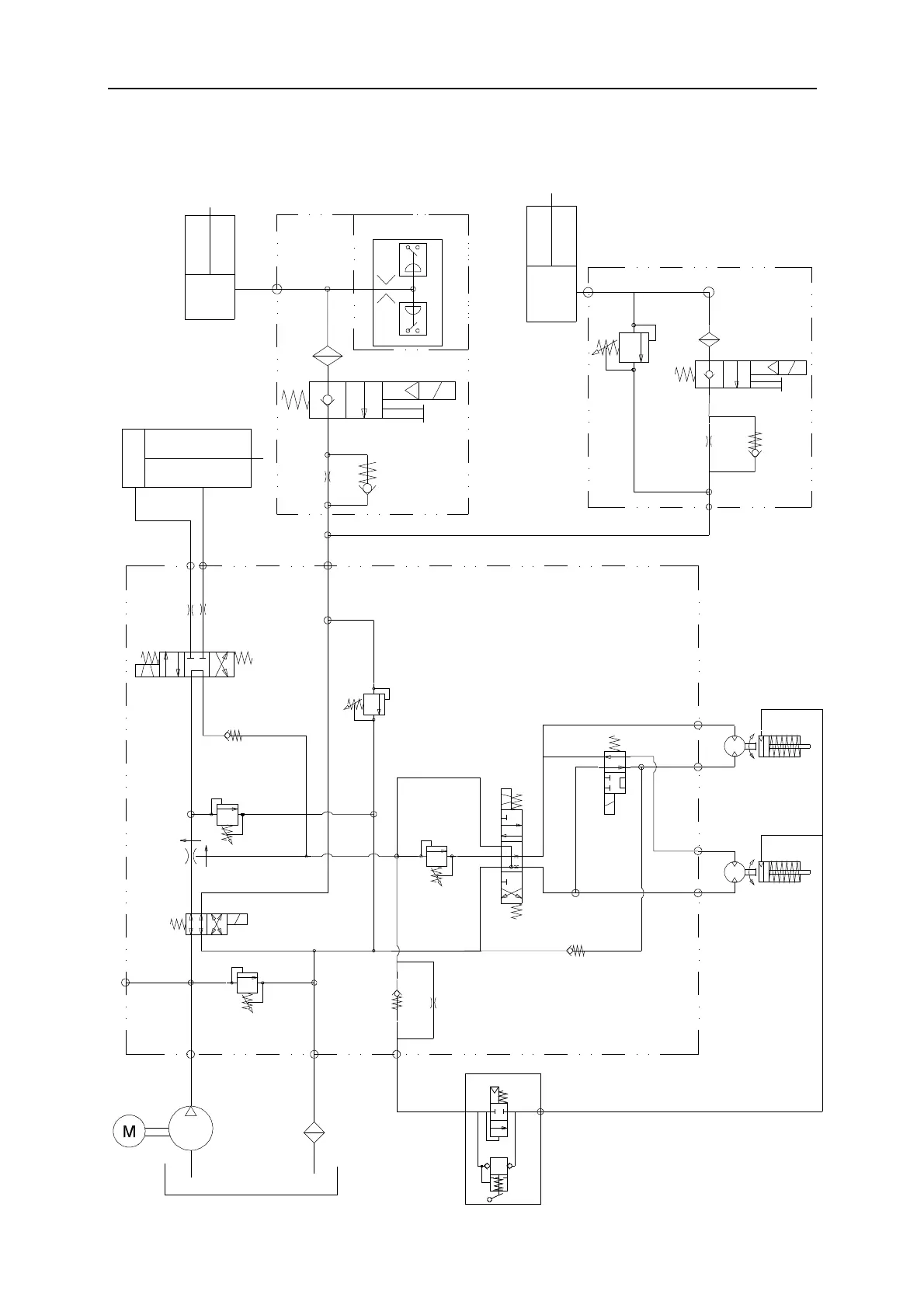
Schematic
83
S1412-EHXC
SV2
1mm
1mm
S1
S2
P
M
T
BRK
RV1
SV1
FR
RV4
CV2
RV3
CV1
1.1mm
SV4
SV3
D3
D2
D1
D4
L
P41
P42
RV5
CV2
0.6mm
1.0mm
Lower valve
NBCY-1001A-11
Lower valve
NBCY-1001B-11
120bar
235bar
3.45bar
Pump
5802-4-12
Valve 5805-0116R
Tank
Platform loading
(
Option
)
Steer cylinder
Lift cylinder
Upper lift cylinder
Hand pump
5805-0412(960020A10)
180bar
RV2
220bar

Related product manuals