EasyManua.ls Logo

dirna Bergstrom Bycool Compact - Page 25

dirna Bergstrom Bycool Compact
Print Icon
To Next Page IconTo Next Page
To Next Page IconTo Next Page
To Previous Page IconTo Previous Page
To Previous Page IconTo Previous Page
Loading...
COMPACT
Air conditioning for vehicles
25
GE
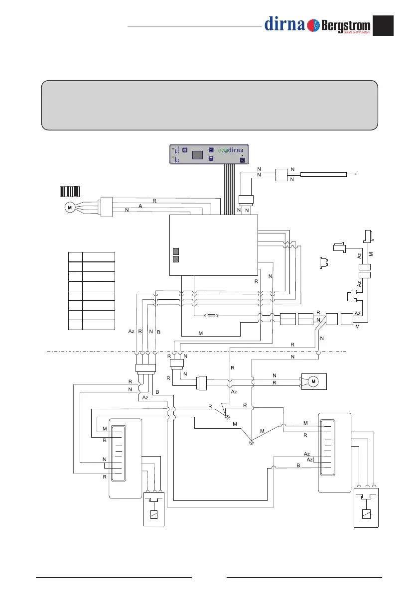
MODELLE EURO 6 - Elektroschaltplan
WICHTIGER WARNHINWEIS!
Darauf achten, dass die Polaritäten beim Anschluss der Stromversorgung an das Gerät nicht
vertauscht werden. Ist dies der Fall, schaltet sich die Elektroniktafel nicht ein und das Gerät
funktioniert nicht.
Na
ºC
ºF
TEMP
ON/OFF
-
+
+
F
D
C
P
T
-
+
+
F
D
C
P
T
Az Blau
N Chwarz
R Rot
V Grün
B Weiss
A Gelb
Na Oranbe
M Braun
Temperaturfühler
Elektroniksteuerung
Gebläse
Flachbandleitung
Gebläse
Kompressor
electronisches
modul
Sicherung 25A
im Original-Anschluss
Sicherung
Original-
Anschlüsse
25A
Kompressor
electronisches
modul
Kompressor
Kompressor
Sicherung 10A
2,9 Amp.
PWM.
NTC 15KΩ a 25º
Stromverbrauch 30 mAmp.
2,6 Amp.

Other manuals for dirna Bergstrom Bycool Compact

Related product manuals