EasyManua.ls Logo

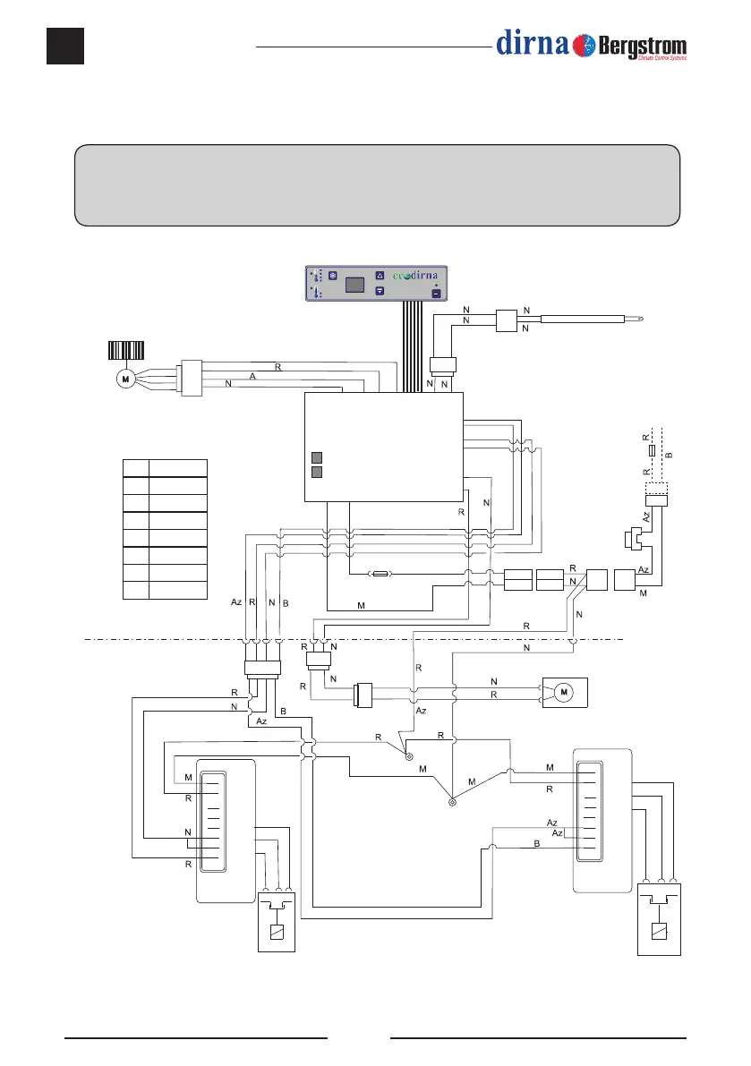
dirna Bergstrom Bycool Compact - Electric Wiring Diagram (Models Except Euro 6)

dirna Bergstrom Bycool Compact
Print Icon
To Next Page IconTo Next Page
To Next Page IconTo Next Page
To Previous Page IconTo Previous Page
To Previous Page IconTo Previous Page
Loading...
COMPACT
Air conditioning for vehicles
12
EN
Na
ºC
ºF
TEMP
ON/OFF
-
+
+
F
D
C
P
T
-
+
+
F
D
C
P
T
ALL MODELS EXCEPT EURO 6 - Electric wiring
Az Blue
N Black
R Red
V Green
B White
A Yellow
Na Orange
M Brown
Temperature
probe
Electronic
module
Blower
Wiring strip
Fan
Compressor
electronic
module
40 A.fuse
(in original fuses box)
Fuse
25A
Compressor
electronic
module
Compressor
Compressor
10 A. Fuse
2,9 Amp.
PWM.
NTC 15KΩ a 25º
Comsuption 30 mAmp.
2,6 Amp.
IMPORTANT WARNING!
Take care not to invert polarities when connecting the unit to the power supply. If this were to
happen, the plate would not come on and the unit would not work.

Other manuals for dirna Bergstrom Bycool Compact

Related product manuals