EasyManua.ls Logo

dirna Bergstrom Bycool Compact - Page 30

dirna Bergstrom Bycool Compact
Print Icon
To Next Page IconTo Next Page
To Next Page IconTo Next Page
To Previous Page IconTo Previous Page
To Previous Page IconTo Previous Page
Loading...
COMPACT
Air conditioning for vehicles
30
IT
Na
ºC
ºF
TEMP
ON/OFF
-
+
+
F
D
C
P
T
-
+
+
F
D
C
P
T
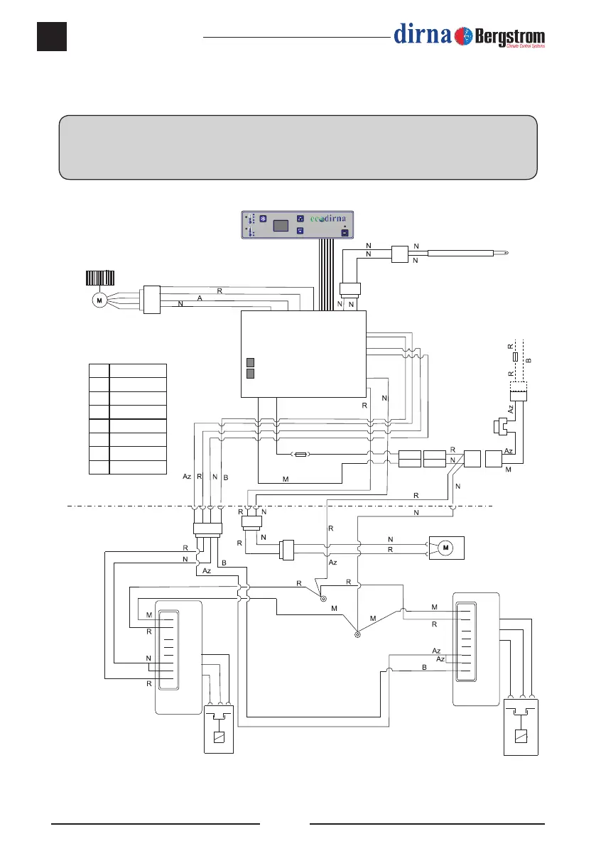
TUTTI I MODELLI, TRANNE EURO 6- Schema elettrico
AVVERTENZA IMPORTANTE!
Fare attenzione a non invertire le polarità effettuando la connessione dell’alimentazione all’impianto,
altrimenti il quadro comandi non si accende e l’impianto non funziona.
Az Blu
N Nero
R Rosso
V Verde
B Bianco
A Giallo
Na Arancione
M Marrone
Sonda di
temperatura
Controllo
elettronico
Ventilatore
Fascio di cavi
Elettroventilatore
Controllo
elettronico
compressore
Fusibile 40 A
(nella scatola dei
fusibili originale)
Fusibile 25 A.
Controllo
elettronico
compressore
Compressore
Compressore
Fusibile 10 A.
2,9 Amp.
PWM.
NTC 15KΩ a 25º
Consumo elettrico 30 mAmp.
2,6 Amp.

Other manuals for dirna Bergstrom Bycool Compact

Related product manuals