EasyManua.ls Logo

dirna Bergstrom Bycool Compact - Page 37

dirna Bergstrom Bycool Compact
Print Icon
To Next Page IconTo Next Page
To Next Page IconTo Next Page
To Previous Page IconTo Previous Page
To Previous Page IconTo Previous Page
Loading...
COMPACT
Air conditioning for vehicles
37
PL
Na
ºC
ºF
TEMP
ON/OFF
-
+
+
F
D
C
P
T
-
+
+
F
D
C
P
T
Az Niebieski
N Czarny
R Czerwony
V Zielony
B Cel
A Zółty
Na Pomarańczowy
M Brown
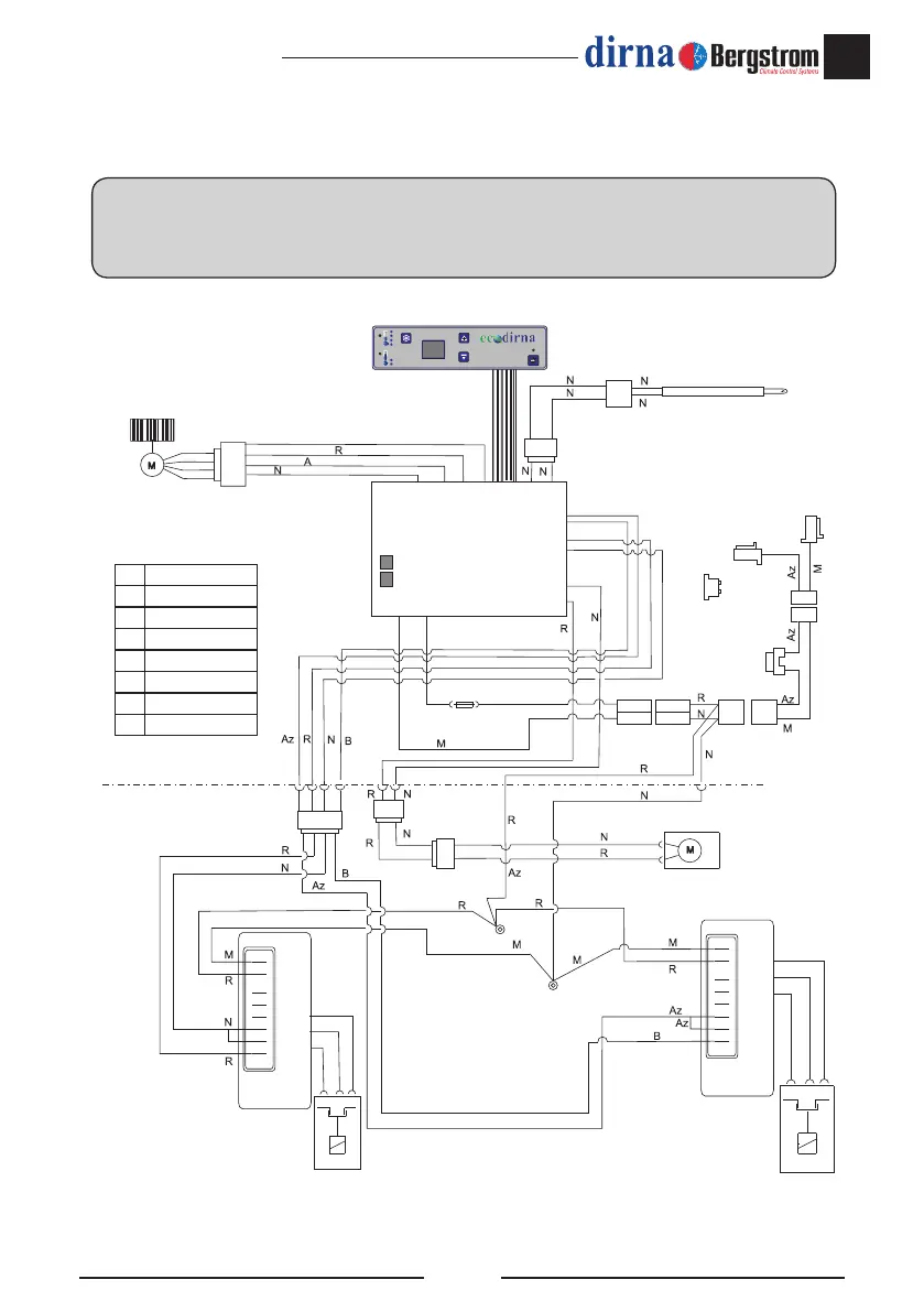
MODELE EURO 6 — Schemat elektryczny
WAŻNA UWAGA!
Należy uważać, aby nie zamienić biegunów przy podłączaniu zasilania do urządzenia. Grozi to
awarią elektroniki urządzenia uniemożliwiającą jego uruchomienie i działanie.
Sonda
temperatury
Kontrolka
elektroniczna
Dmuchawa
Taśma
Zespół elektryczny
Moduł
kontrolny
sprężarki
bezpiecznik 25A
w złączu oryginalnym
Bezpiecznik 25 A.
Złącza
oryginalne
Moduł
kontrolny
sprężarki
Sprężarka
Sprężarka
Bezpiecznik 10 A.
2,9 Amp.
PWM.
NTC 15KΩ a 25º
Zużycie
energii 30 mAmp.
2,6 Amp.

Other manuals for dirna Bergstrom Bycool Compact

Related product manuals