EasyManua.ls Logo

dirna Bergstrom Bycool Compact - Page 43

dirna Bergstrom Bycool Compact
Print Icon
To Next Page IconTo Next Page
To Next Page IconTo Next Page
To Previous Page IconTo Previous Page
To Previous Page IconTo Previous Page
Loading...
COMPACT
Air conditioning for vehicles
43
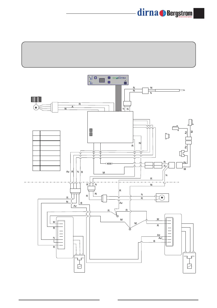
CZ
MODELY EURO 6 – Elektrické schéma
DŮLEŽITÉ UPOZORNĚNÍ!
Dejte pozor, abyste při zapojování zařízení neobrátili polaritu. Pokud by se tak stalo, ovládací panel
se nerozsvítí a zařízení nebude fungovat.
Na
ºC
ºF
TEMP
ON/OFF
-
+
+
F
D
C
P
T
-
+
+
F
D
C
P
T
Az Modrý
N Black
R Červený
V Zelený
B Cíl
A Žlutý
Na Oranžový
M Hnědý
sonda Čidlo
teploty
Elektronické řízení
Ventilátor
Flachbandleitung
Magnetický ventil
Řídicí
modul
kompresoru
Pojistka 25A
v původním konektoru
Pojistka
Původní
konektory
25A
Řídicí
modul
kompresoru
Kompresor
Kompresor
Pojistka 10A
2,9 Amp.
PWM.
NTC 15KΩ a 25º
30 mAmp spotřeba.
2,6 Amp.
96W.

Other manuals for dirna Bergstrom Bycool Compact

Related product manuals