EasyManua.ls Logo

dirna Bergstrom Bycool Compact - Page 49

dirna Bergstrom Bycool Compact
Print Icon
To Next Page IconTo Next Page
To Next Page IconTo Next Page
To Previous Page IconTo Previous Page
To Previous Page IconTo Previous Page
Loading...
COMPACT
Air conditioning for vehicles
49
NL
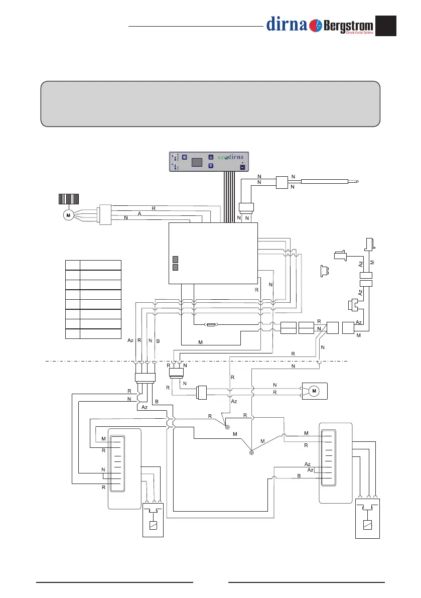
MODELLEN EURO 6- Elektrisch schema
BELANGRIJKE WAARSCHUWING!
Let op dat bij het aansluiten van de voeding op het apparaat de polen niet verwisseld worden.
Indien dit het geval is zal het paneel niet oplichten en zal het apparaat niet werken.
Na
ºC
ºF
TEMP
ON/OFF
-
+
+
F
D
C
P
T
-
+
+
F
D
C
P
T
Az Blauw
N Zwart
R Rood
V Groen
B Doel
A Geel
Na Oranje
M Bruin
Temperatuursonde
Elektronisch
beheer
Ventilator
band
Elektron
Besturingseenheid
van de Compressor
Zekering 25A
In oorspronkelijke aansluiting
Stop 25 A.
Oorspronkelijke
aansluitingen
Besturingseenheid
van de Compressor
Compressor
Compressor
Stop 10 A.
2,9 Amp.
PWM.
NTC 15KΩ a 25º
Elektrisch verbruik 30 mAmp.
2,6 Amp.
96W.

Other manuals for dirna Bergstrom Bycool Compact

Related product manuals