EasyManua.ls Logo

dirna Bergstrom Bycool Compact - Page 7

dirna Bergstrom Bycool Compact
Print Icon
To Next Page IconTo Next Page
To Next Page IconTo Next Page
To Previous Page IconTo Previous Page
To Previous Page IconTo Previous Page
Loading...
ES
COMPACT
Air conditioning for vehicles
7
Na
ºC
ºF
TEMP
ON/OFF
-
+
+
F
D
C
P
T
-
+
+
F
D
C
P
T
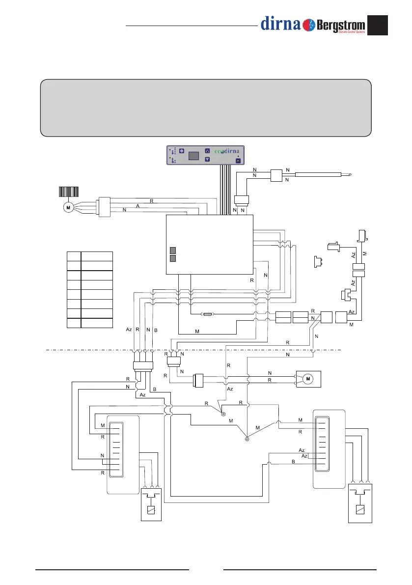
MODELOS EURO 6- Esquema eléctrico
¡AVISO IMPORTANTE!
Precaución de no invertir las polaridades al conectar el equipo. Si esto sucediera, el control
electrónico emitirá unos pitidos discontinuos. No debe tocarse ninguna tecla ni del panel ni
del mando del equipo porque se pueden producir daños irreparables. A la señal de estos pitidos
discontinuos, desconectar el equipo y vericar la polaridad de la conexión.
Az Azul
N Negro
R Rojo
V Verde
B Blanco
A Amarillo
Na Naranja
M Marrón
Sonda
temperatura
Control
electrónico
Soplador
Cinta
Electro
Control
1º Compresor
fusible 25A
en conector original
Fusible
Conectores
originales
25A
Control
2º Compresor
1 Compresor
2 Compresor
Fusible 10A
2,9 Amp.
PWM.
NTC 15KΩ a 25º
Consumo 30 mAmp.
2,6 Amp.

Other manuals for dirna Bergstrom Bycool Compact

Related product manuals