EasyManua.ls Logo

dirna Bergstrom TRP DYNAMIC - Wichtiger Hinweis

dirna Bergstrom TRP DYNAMIC
Print Icon
To Next Page IconTo Next Page
To Next Page IconTo Next Page
To Previous Page IconTo Previous Page
To Previous Page IconTo Previous Page
Loading...
DYNAMIC
24
®
GE
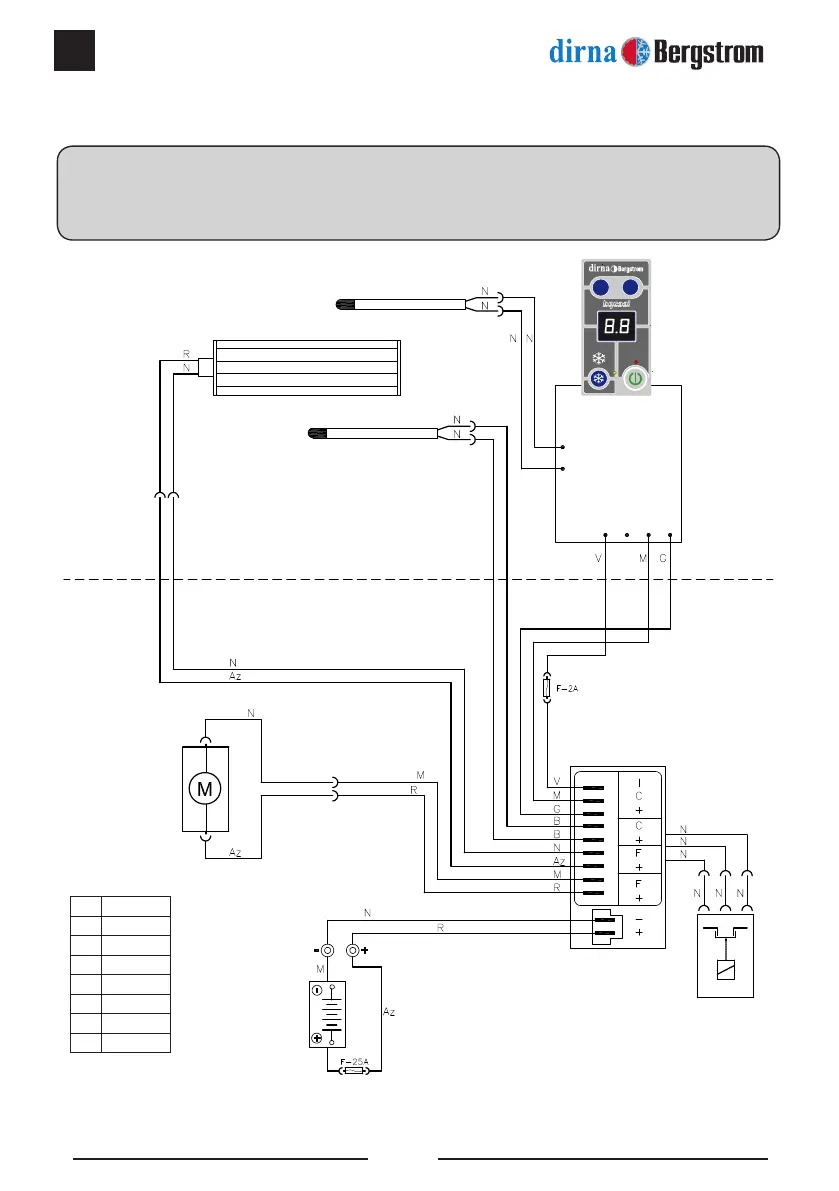
Elektrisches schaltschema
WICHTIGER HINWEIS!
Achten Sie darauf, die Polaritäten beim Anschluss der Anlage an die Batterie nicht zu vertauschen. Ist dies
der Fall, schaltet sich das Bedienfeld nicht ein und das Gerät funktioniert nicht.
+
-
TEMP
ºC
ºF
Az Blau
N Chwarz
R Rot
V Grün
B Weiss
A Gelb
Na Oranbe
M Braun
Gebläse
Batterie
Kompressor
Abluftsensor
Anti-freeze
sensor
Kondensatorlüfter
Elektronik
Modul

Related product manuals