EasyManua.ls Logo

dirna Bergstrom TRP DYNAMIC - Technical Schematics; Electric Wiring Diagram; Polarity Connection Warning

dirna Bergstrom TRP DYNAMIC
Print Icon
To Next Page IconTo Next Page
To Next Page IconTo Next Page
To Previous Page IconTo Previous Page
To Previous Page IconTo Previous Page
Loading...
DYNAMIC
12
®
EN
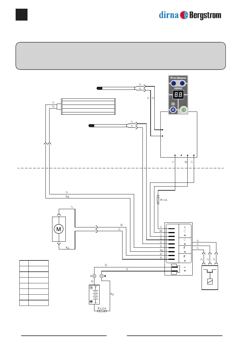
Electric wiring
IMPORTANT WARNING!
Take care not to invert the polarities when connecting the equipment to the battery. If this happens, the plate
does not come on and the unit does not work.
+
-
TEMP
ºC
ºF
Az Blue
N Black
R Red
V Green
B White
A Yellow
Na Orange
M Brown
Blower
Battery
Compressor
Return
air sensor
Anti-freeze
sensor
Condenser fan
Compressor
Electronic module

Related product manuals