EasyManua.ls Logo

dirna Bergstrom TRP DYNAMIC - Schemat Elektryczny; Ważna Uwaga

dirna Bergstrom TRP DYNAMIC
Print Icon
To Next Page IconTo Next Page
To Next Page IconTo Next Page
To Previous Page IconTo Previous Page
To Previous Page IconTo Previous Page
Loading...
DYNAMIC
36
®
PL
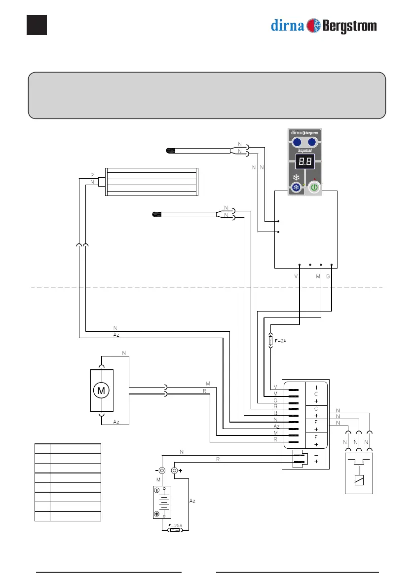
Schemat elektryczny
WAŻNA UWAGA!
Należy uważać, aby nie zamienić biegunów podłączając urządzenie do akumulatora. W przypadku błędnego
podłączenia, panel nie włącza się i urządzenie nie działa.
+
-
TEMP
ºC
ºF
Az Niebieski
N Czarny
R Czerwony
V Zielony
B Cel
A Zółty
Na Pomarańczowy
M Marrón
Dmuchawa
Akumulator
Sprężarka
Czujnika powietrza
powrotnego
Czujnik zamarzania
Wentylator
kondensatora
Sterowanie
sprężarką

Related product manuals