EasyManua.ls Logo

dirna Bergstrom TRP DYNAMIC - Elektrisch Schema

dirna Bergstrom TRP DYNAMIC
Print Icon
To Next Page IconTo Next Page
To Next Page IconTo Next Page
To Previous Page IconTo Previous Page
To Previous Page IconTo Previous Page
Loading...
DYNAMIC
48
®
NL
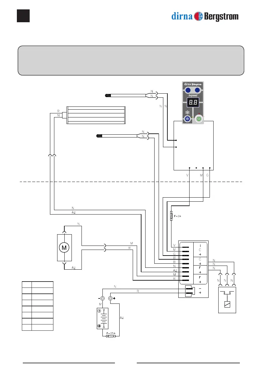
Elektrisch schema
BELANGRIJKE WAARSCHUWING!
Draai de polariteit van de aansluiting niet om bij het aansluiten op de accu. Als de polariteit wordt omgedraaid,
zal het besturingspaneel niet inschakelen en zal het apparaat niet werken.
+
-
TEMP
ºC
ºF
Az Blauw
N Zwart
R Rood
V Groen
B Doel
A Geel
Na Oranje
M Bruin
Blazer
ACCU
Compressor
Hercirculatiesonde
Antivorstsonde
Ventilator van
de condensator
Compressorregeling

Related product manuals