EasyManua.ls Logo

dirna Bergstrom TRP DYNAMIC - Esquema Eléctrico

dirna Bergstrom TRP DYNAMIC
Print Icon
To Next Page IconTo Next Page
To Next Page IconTo Next Page
To Previous Page IconTo Previous Page
To Previous Page IconTo Previous Page
Loading...
ES
DYNAMIC
6
®
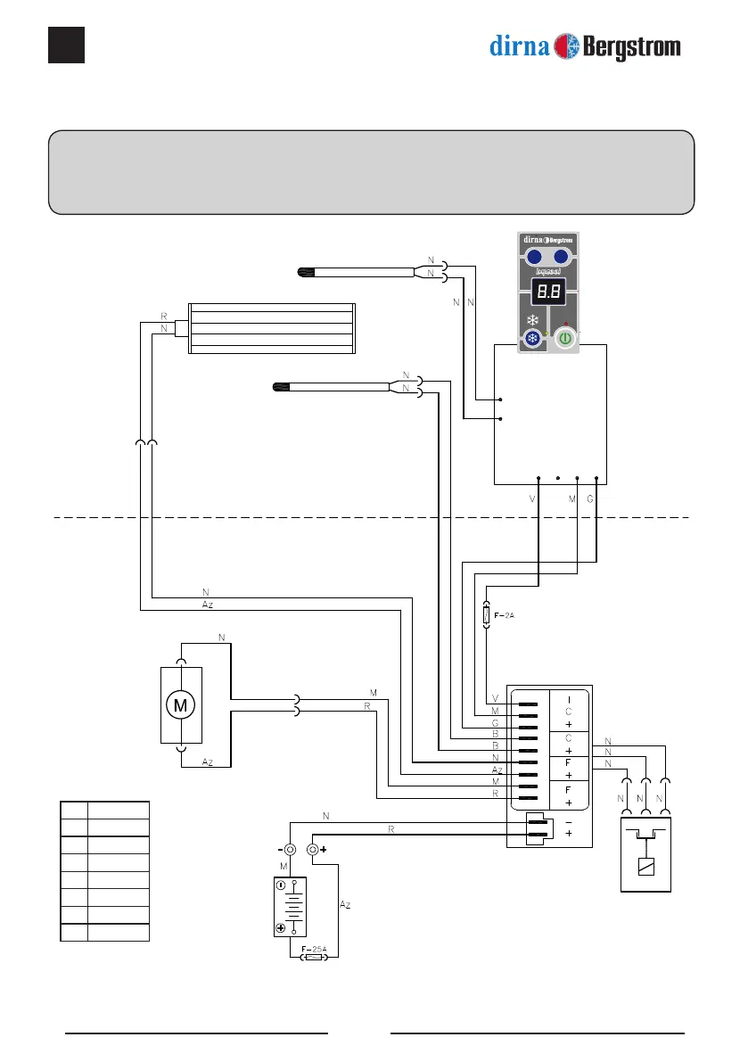
Esquema eléctrico
¡AVISO IMPORTANTE!
Precaución de no invertir las polaridades al conectar el equipo a la batería. Si esto sucediera, la placa de
mandos no se enciende y el equipo no funciona.
+
-
TEMP
ºC
ºF
Az Azul
N Negro
R Rojo
V Verde
B Blanco
A Amarillo
Na Naranja
M Marrón
Soplador
Batería
Compresor
Sensor
de aire de retorno
Sensor
antihielo
Ventilador del
condensador
Módulo electrónico
del compresor

Related product manuals