EasyManua.ls Logo

dirna Bergstrom TRP DYNAMIC - Cablaggio Elettrico; Avvertenza Importante

dirna Bergstrom TRP DYNAMIC
Print Icon
To Next Page IconTo Next Page
To Next Page IconTo Next Page
To Previous Page IconTo Previous Page
To Previous Page IconTo Previous Page
Loading...
DYNAMIC
30
®
IT
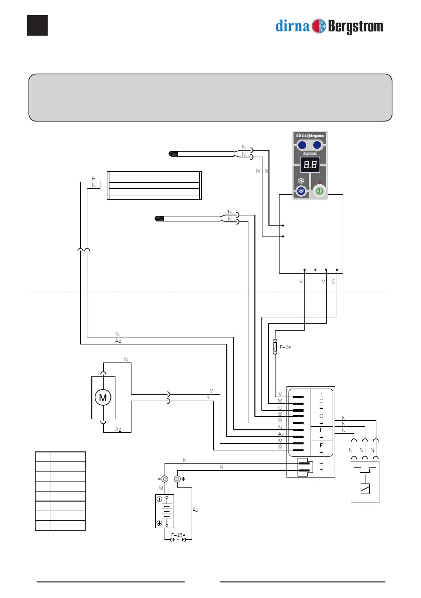
Cablaggio elettrico
AVVERTENZA IMPORTANTE!
Fare attenzione a non invertire le polarità quando si esegue il collegamento dell’impianto alla batteria. Infatti,
in tal caso il quadro comandi non si accende e l’impianto non funziona.
+
-
TEMP
ºC
ºF
Az Blu
N Nero
R Rosso
V Verde
B Bianco
A Giallo
Na Arancione
M Marrone
Soplador
Batteria
Compressor
Sensore
aria di ritorno
Sensore
antigelo
Ventilatore del
condensatore
Controllo
Compressore

Related product manuals