EasyManua.ls Logo

Dolmar MS-20 C - Carburetor, Air Cleaner

Dolmar MS-20 C
14 pages
Print Icon
To Next Page IconTo Next Page
To Next Page IconTo Next Page
To Previous Page IconTo Previous Page
To Previous Page IconTo Previous Page
Loading...
5
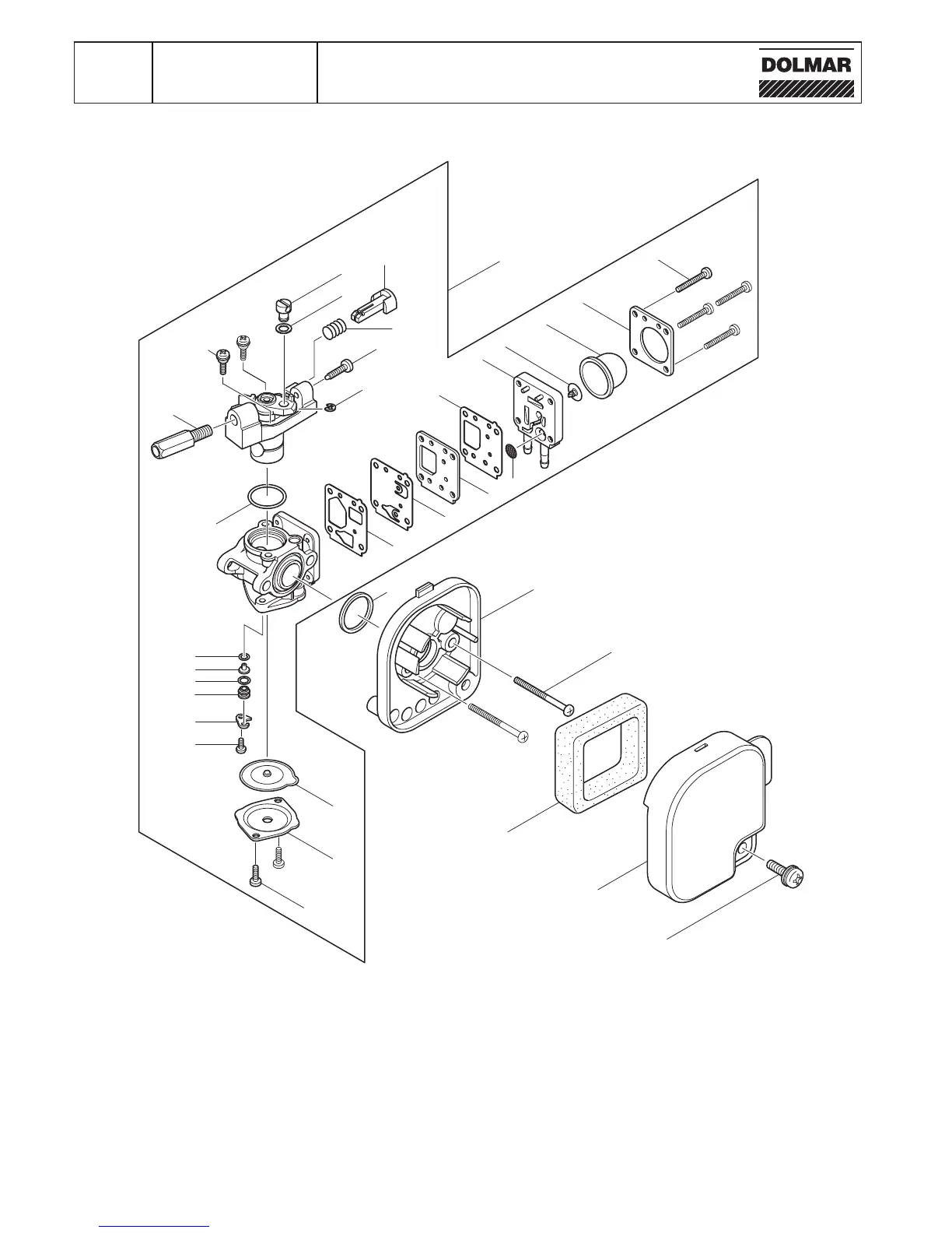
Carburetor, air cleaner
09-05
3
Model MS22C
106
102
104
105
108
103
107
100
101
110
112
109
127
128
129
130
131
132
133
99
118
113
114
115
116
117
119
122
120
121
123
124
125
126
111
MS-22 C

Related product manuals