EasyManua.ls Logo

Dolphin DRC-1G - Page 15

Default Icon
19 pages
Print Icon
To Next Page IconTo Next Page
To Next Page IconTo Next Page
To Previous Page IconTo Previous Page
To Previous Page IconTo Previous Page
Loading...
15
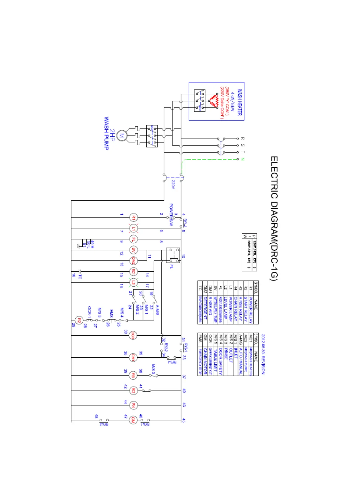
3) ELECTRIC WIRE DIAGRAM

Related product manuals