EasyManua.ls Logo

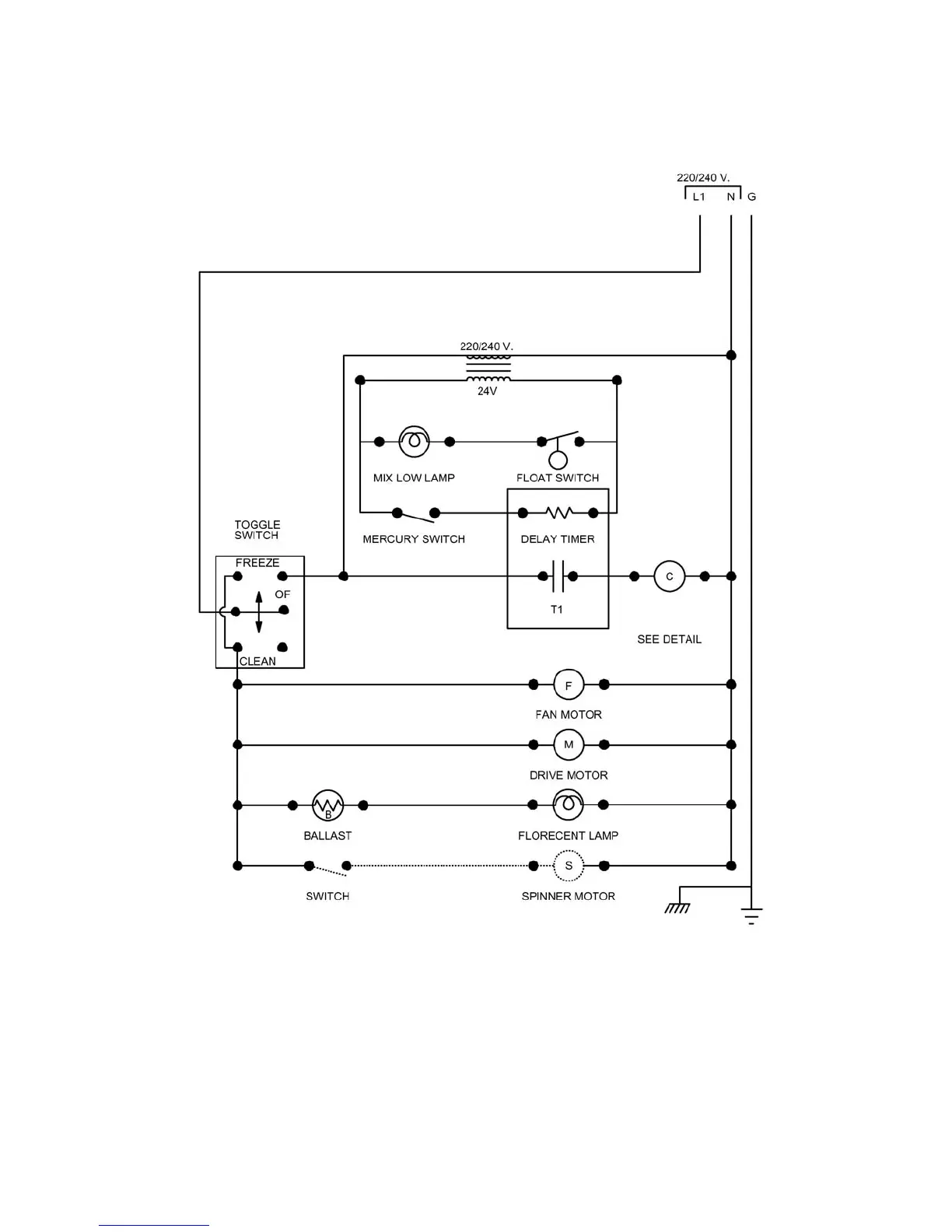
DONPER XF124 - Ladder Diagram - 220 V Air-Cooled Model

DONPER XF124
33 pages
Print Icon
To Next Page IconTo Next Page
To Next Page IconTo Next Page
To Previous Page IconTo Previous Page
To Previous Page IconTo Previous Page
Loading...
XF124
Ladder Diagram
220V Air-Cooled Model
COMPRESSOR
CONTACT

Related product manuals