EasyManua.ls Logo

Doosan D25G - Delayed Engine Shutdown System Schematic

Doosan D25G
74 pages
Print Icon
To Next Page IconTo Next Page
To Next Page IconTo Next Page
To Previous Page IconTo Previous Page
To Previous Page IconTo Previous Page
Loading...
Vehicle System Testing and Adjusting 47
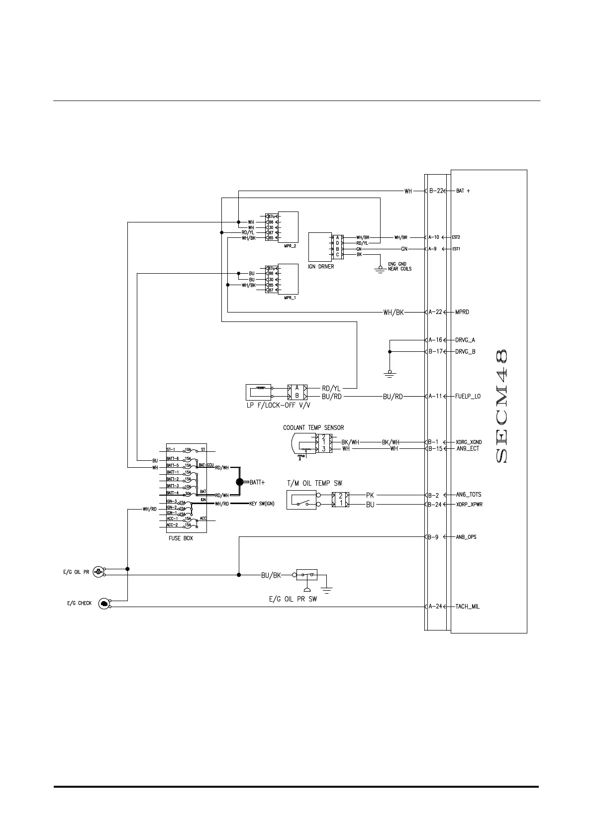
Delayed Engine Shutdown System Schematic
DELAYED ENGINE SHUTDOWN : G20/25/30G G424F(E) - LP

Table of Contents

Other manuals for Doosan D25G

Related product manuals