EasyManua.ls Logo

Doosan DL06 - Page 146

Doosan DL06
211 pages
Print Icon
To Next Page IconTo Next Page
To Next Page IconTo Next Page
To Previous Page IconTo Previous Page
To Previous Page IconTo Previous Page
Loading...
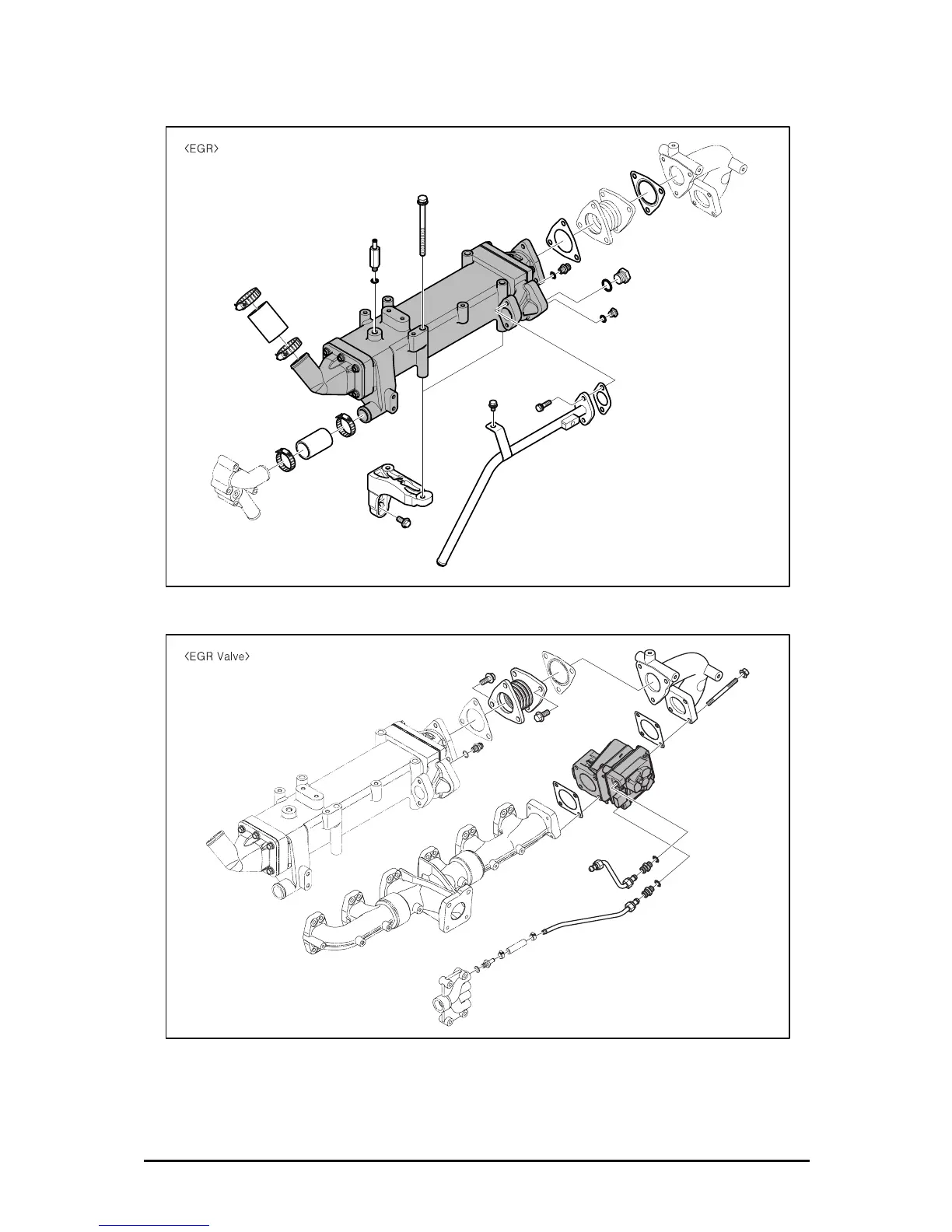
DL06K Interim Tire-4 Diesel Engine Disassembly and Reassembly of Major Components
144
EK4OM088
EK4OM089

Other manuals for Doosan DL06

Related product manuals