EasyManua.ls Logo

Doosan P65 - Electrical System

Doosan P65
52 pages
Print Icon
To Next Page IconTo Next Page
To Next Page IconTo Next Page
To Previous Page IconTo Previous Page
To Previous Page IconTo Previous Page
Loading...
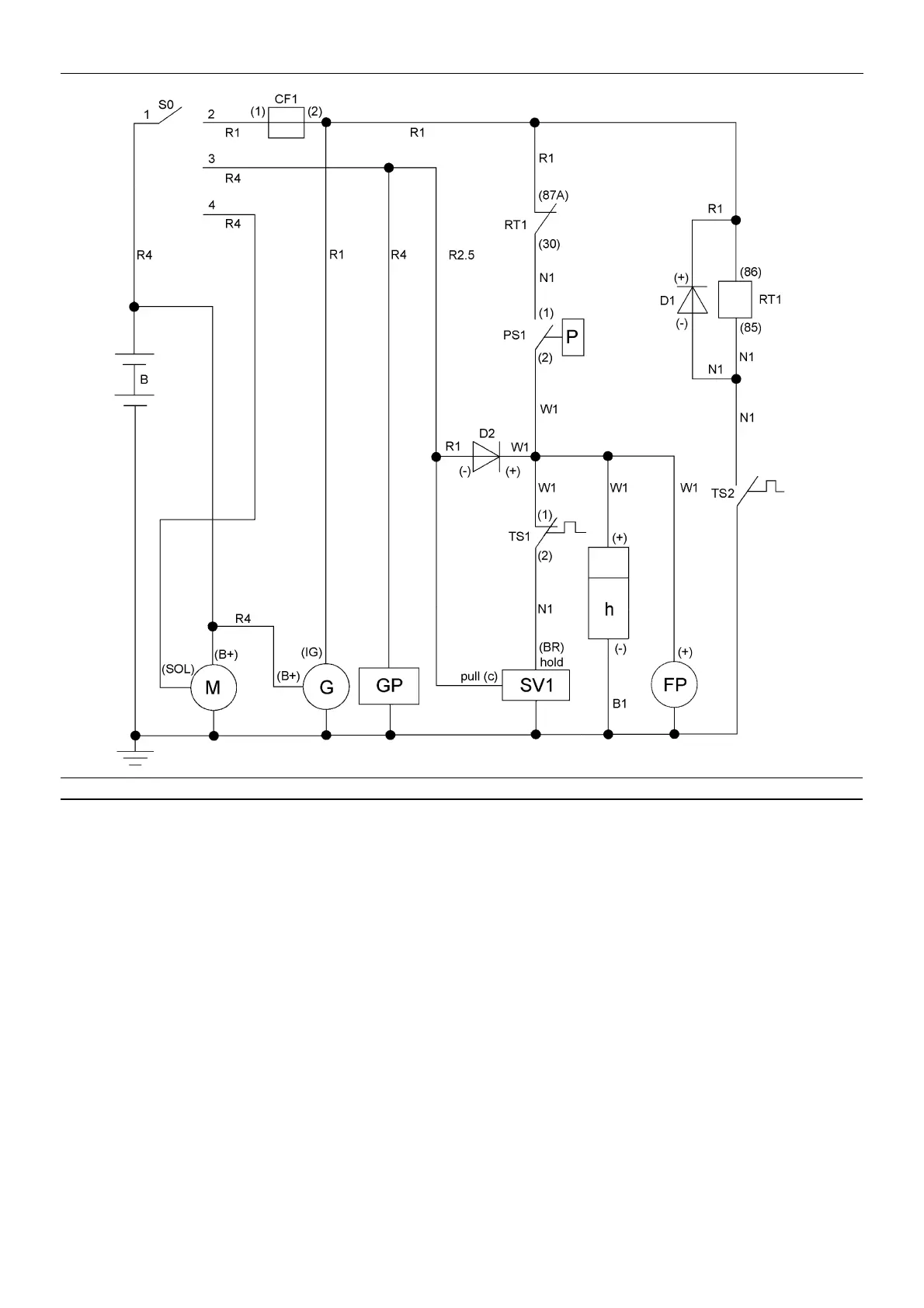
ELECTRICAL SYSTEM 37
7/20, P65
KEY
B Battery 12V
CF1 Control fuse 5A
D1-2 Diode, blocking
FP Fuel pump
G Alternator 12V
GP Glow plugs
h Hourmeter
M Starter motor
NP1-4 Node point
PS1 Engine oil pressure switch
RT1 Relay, temperature switch
SO Key-switch
SV1 Solenoid, fuel
TS1 High air temperature switch (airend)
TS2 High coolant temperature switch (engine)

Related product manuals