EasyManua.ls Logo

Dorma RST - Spot Scan at the Door Leaves

Dorma RST
40 pages
Print Icon
To Next Page IconTo Next Page
To Next Page IconTo Next Page
To Previous Page IconTo Previous Page
To Previous Page IconTo Previous Page
Loading...
RST
DORMA
Spot Scan
at right door leaf
Spot Scan auf dem
rechten Türflügel
Spot Scan
at left door leaf
Spot Scan auf dem
linken Türflügel
weiß
braun
grün
grau
white
brown
green
grey
weiß
braun
grün
grau
white
brown
green
grey
X2
X1
F2
F3
X7
R26
X8
S2
ABC
X9
X10
X11
333231
57
56
6
3534 5 2 244 11
21
20
19
18
17
16
12
45
11
13
46472625 274849875051525315145455
X6
58
59
60
X13
6162
X14
S1
X15
37 36 39 38
X3
X4
44
43
X5
42
41
40
18K
B
A
B
GND
C
NC
Test input
+24V
4
1
2
5
3
C
NC
Test input
24V AC
4
1
2
5
3
12
3
12
3
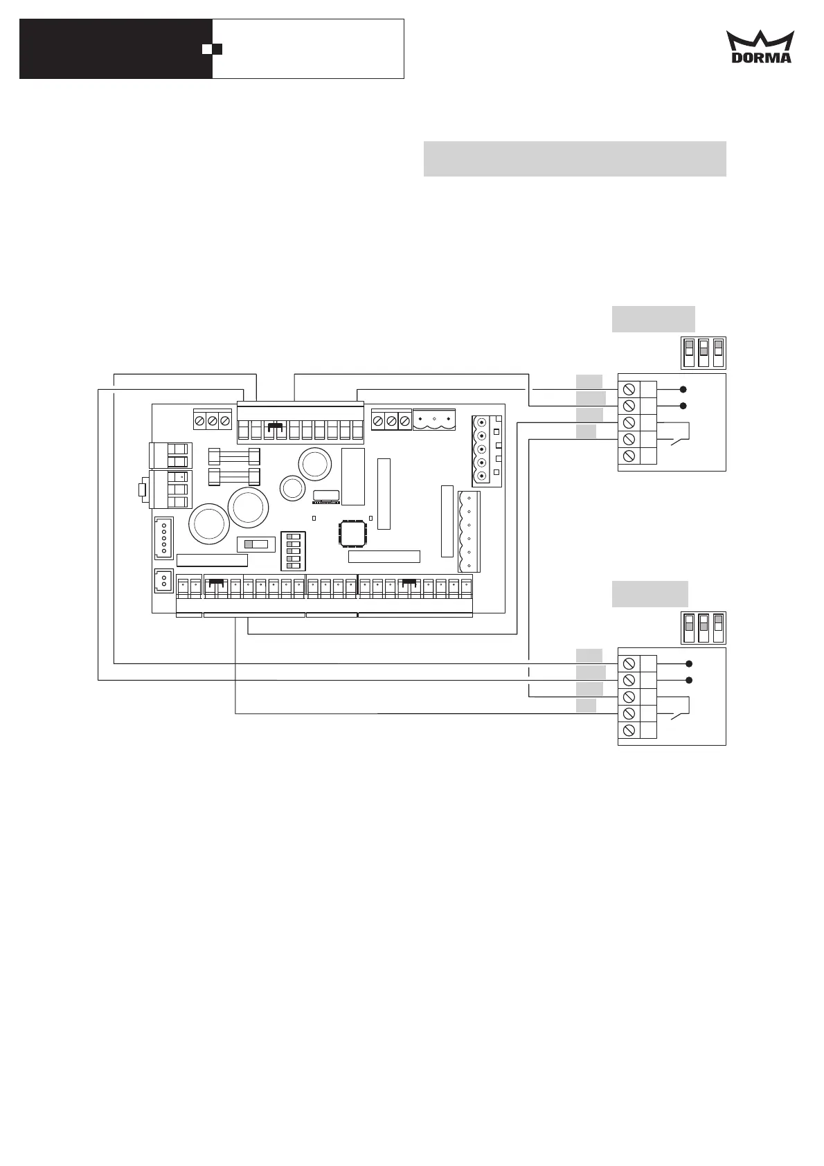
12.Connection diagram:
Spot Scan at the door leaves
12.Anschlussplan:
Spot Scan an den Türflügeln
38