EasyManua.ls Logo

Doyon CA12G - Page 84

Doyon CA12G
87 pages
Print Icon
To Next Page IconTo Next Page
To Next Page IconTo Next Page
To Previous Page IconTo Previous Page
To Previous Page IconTo Previous Page
Loading...
G8
OL2−95
AR−M2
AV−M2
AV−M1
AR−M1
M1−BM1−A
OL2−95
OL1−95
O
L1−95
OL2−95
ST2
ST1
ALARM
4
2
6
SW 2.2
140°F
HIGH
LIMIT
SW 1.2
110°F
LIMIT
HIGH
P.L.
R1
R1−5
5
COOLING FAN
7
1
8
3
SW 2.1
SW 1.1
VA2
VA1
T1
T8
T3
T2
T5
T4
T4
T1
AV
L1 T1
OL1
L1 T1
L3 T3
L3 T3
L3 T3
L2 T2
AR
L1 T1
L2 T2
L3 T3
AV
L2 T2
L1 T1
L2 T2
L1 T1
L2 T2
OL2
T8T2
T3
L1 T1
AR
L3 T3
L2 T2
L3 T3
T5
VL2
VALVE
OVEN
68
STEAM
SWITCH
2
7
1
4
BULB
BUZZER
R2−4
SWITCH
R2
M3
RACK
7
4
2
8
6
R2−7
3
1
2
2
3
1
N1
N2
2
1
43
AR
AV
AV
A2
21 22
A1
2
43
1
AR
AR
AV
AV
A2
AR
A2
21 22
21 22
A1
A1
A1
A2
21 22
M3−44
RR
M3
M3
13 14
43 44
M3
3 A.
32 31
M3
22 21
D1
TR
100 VA
X2
X3
X4
X1H1
120−240V>
12−24V
H2
H4
H3
ROTATING RACK
OVEN
VALVE
VL1
6
2
8
7
1
4
STEAM
SWITCH
BUZZER
BULB
5 A.
5 A.
LIMIT
HIGH
PRESSURE
SWITCH
DETECTION
FLAME ROD
(OVEN 2)
OL2
95 96
ST2
VA2
TR
24V
VALVE
GND
CONTROL
IGNITION
BURNER
LIMIT
HIGH
TH
120/24V
24V
VALVE
GAS
VALVE
SWITCH
PRESSURE
ELECTRODE
SPARKING
VA1
ST1
95 96
OL1
7 8
9 10
(OVEN 1)
L2L1N
F2
F1
+
M3
1/8HP
GEAR BOX
COOKING
SWITCH
COOKING TIMER
H5CX (MODE A−1)
M
1
4
6
8
7
2
COOKING
SWITCH
COOKING TIMER
H5CX (MODE A−1)
M
1
4
6
8
7
2
THERMOSTAT
STEAM TIMER
H5CX (MODE D)
THERMOSTAT
7 8
9 10
M2−A
M2−B
M2
3/4HP
MOTOR
M1
3/4HP
MOTOR
M1
M2
R1−6
R1−1
R1−8
ELECTRONIC
TIMER 1
ELECTRONIC
TIMER 2
DOOR
SWITCH
M1
M1
M2
M2
STEAM TIMER
H5CX (MODE D)
SPARKING
ELECTRODE
VALVE
GAS
VALVE
24V
120/24V
TH
BURNER
IGNITION
CONTROL
GND
VALVE
24V
TR
FLAME ROD
DETECTION
1.5KW
HEAT
1.5KW
HUMIDITY
INFINIT
SWITCH
LIQUID
LEVEL
P.L.
P.L.
P1
FAN
BULB
L2
L1
P
H2
H1
1 4
8 5
P1
2
7
20 A.
C2
PROOFER
SWITCH
20 A.
5 A.
C2
3
5
R3
7
8
R3
VALVE
PROOFER
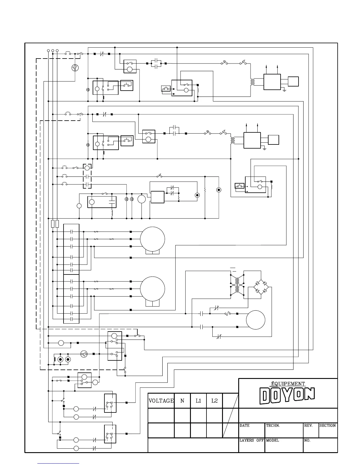
120 / 240 14.0A 22.5A 21.0A
CAOP12 GAS 1 PHASE 60 Hz
17/11/05 M. FAUCHER 11
NONE
STEAM
CAP12G11
1 / 1
120 / 208 14.0A 22.5A 21.0A
TOTAL POWER: 5.4 Kw 60 Hz

Related product manuals