EasyManua.ls Logo

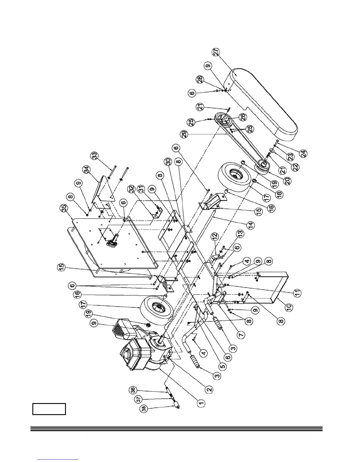
DR 10 HP CHIPPER - Schematic - DR 10 HP CHIPPER

DR 10 HP CHIPPER
52 pages
Print Icon
To Next Page IconTo Next Page
To Next Page IconTo Next Page
To Previous Page IconTo Previous Page
To Previous Page IconTo Previous Page
Loading...
CALL TOLL FREE 1-800-DR-OWNER 43
Schematic - DR 10 HP CHIPPER
060120

Related product manuals