EasyManua.ls Logo

DR PRO 26 - Page 31

DR PRO 26
36 pages
Print Icon
To Next Page IconTo Next Page
To Next Page IconTo Next Page
To Previous Page IconTo Previous Page
To Previous Page IconTo Previous Page
Loading...
CONTACT US AT www.DRpower.com 31
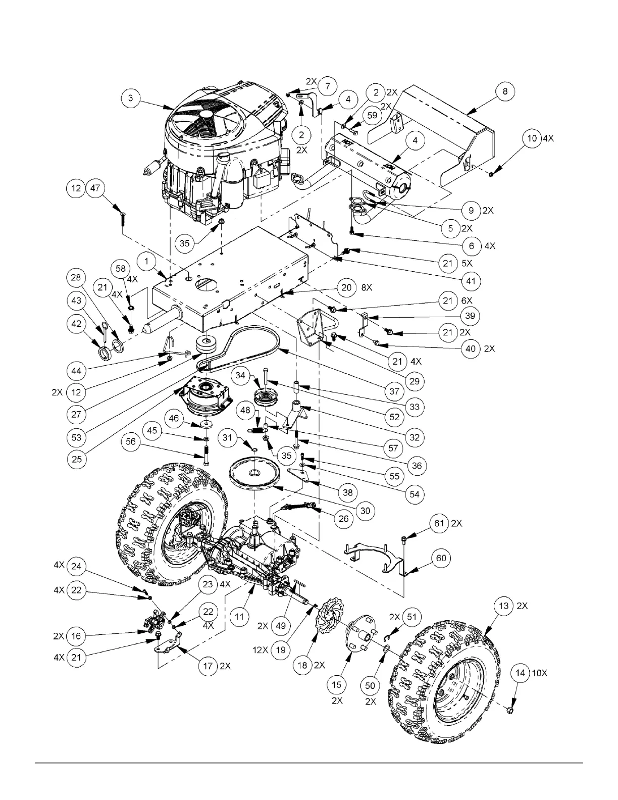
Schematic Drivetrain Assembly

Related product manuals