EasyManua.ls Logo

DR Pro 475 - Page 41

DR Pro 475
52 pages
Print Icon
To Next Page IconTo Next Page
To Next Page IconTo Next Page
To Previous Page IconTo Previous Page
To Previous Page IconTo Previous Page
Loading...
CONTACT US AT www.DRpower.com 41
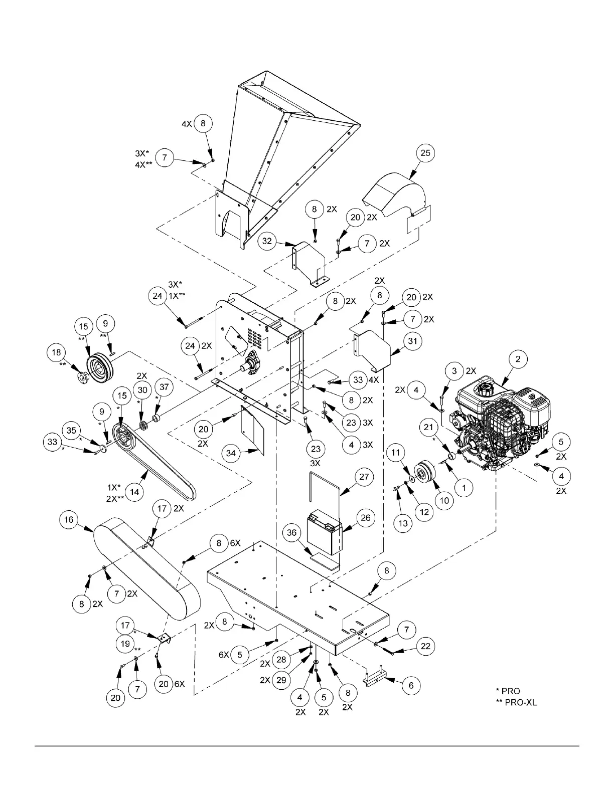
Schematic Drive Assembly

Related product manuals