EasyManua.ls Logo

Dräger PEX 1000 - Page 27

Dräger PEX 1000
Print Icon
To Next Page IconTo Next Page
To Next Page IconTo Next Page
To Previous Page IconTo Previous Page
To Previous Page IconTo Previous Page
Loading...
Dräger PEX 1000 27
Operation
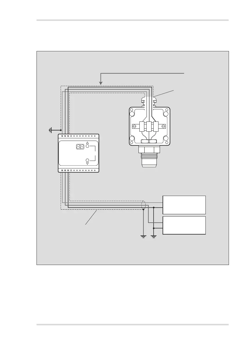
1. Connection between controller unit and supply voltage as shown.
2. Connection between sensing head SE Ex and PEX 1000 as shown.
The power supply may also be an integral part of the controller unit.
PEX 1000
Connection to controller unit: Connection to sensing head
Connect terminal +24V to +24 Volt Connect terminal br/br to terminal 1
Connect terminal SIG to 4 to 20 mA input Connect terminal ge/yw to terminal 2
Connect terminal 0 V to 0 Volt Connect terminal sw/bk to terminal 3
PEX 1000
Typ XTR 0090,
XTR 0091
sensing head
Polytron SE Ex PR ... DD
00133445_en.eps
12
3
12
3
OK
+24 volt
0 volt
power supply
24 V 20 %,
0,15 A
4 to 20 mA
0 mA
controller unit
max. cable length see table in chapter 3.1.2
shielding in
insertion fitting
shielding

Table of Contents

Related product manuals