EasyManua.ls Logo

DRAKE TR-4CW - Page 39

DRAKE TR-4CW
42 pages
Print Icon
To Next Page IconTo Next Page
To Next Page IconTo Next Page
To Previous Page IconTo Previous Page
To Previous Page IconTo Previous Page
Loading...
RED
+650
ORANGE
=
6)
pt
$1
9
FO
eG
;
Rt
a
SPKR
JACK
D3
Din
Baba
ay
2
0
<
Skies
BLACK
8565's
De
=
RED
=
=
ASGS
DS
R3
BLK/YELLOW
=
Ww,
+250
,
*]
raya
100
MFD.
+1
C4p.
R4+
YELLOW
c+
KX
be
80
MFDS
150
K
|
i]
(
Eee
ae
BLK/GREEN
=
BIAS
C5b.
20
MFD
;
j-—Cpikjeed
cw
o
OF
MDS
1
cb
D7
8565
|
68K
zi
T
.001
MFD.
a
Ce
01
MFD
=
>
C7
01
MFD
5A
SLO
BLO
FOR
120
VAC
120-240
VAC
3
AMP
SLO
BLO
FOR
240
VAC
50-60
Hz
()
ciz
XNTG
O-9
El
stg
MFO.
iN
O~>
hon
po
o
vox
|
NOTE:
FOR
240
VAC
OPERATION
DISCONNECT
WIRES
MARKED
——X
AND
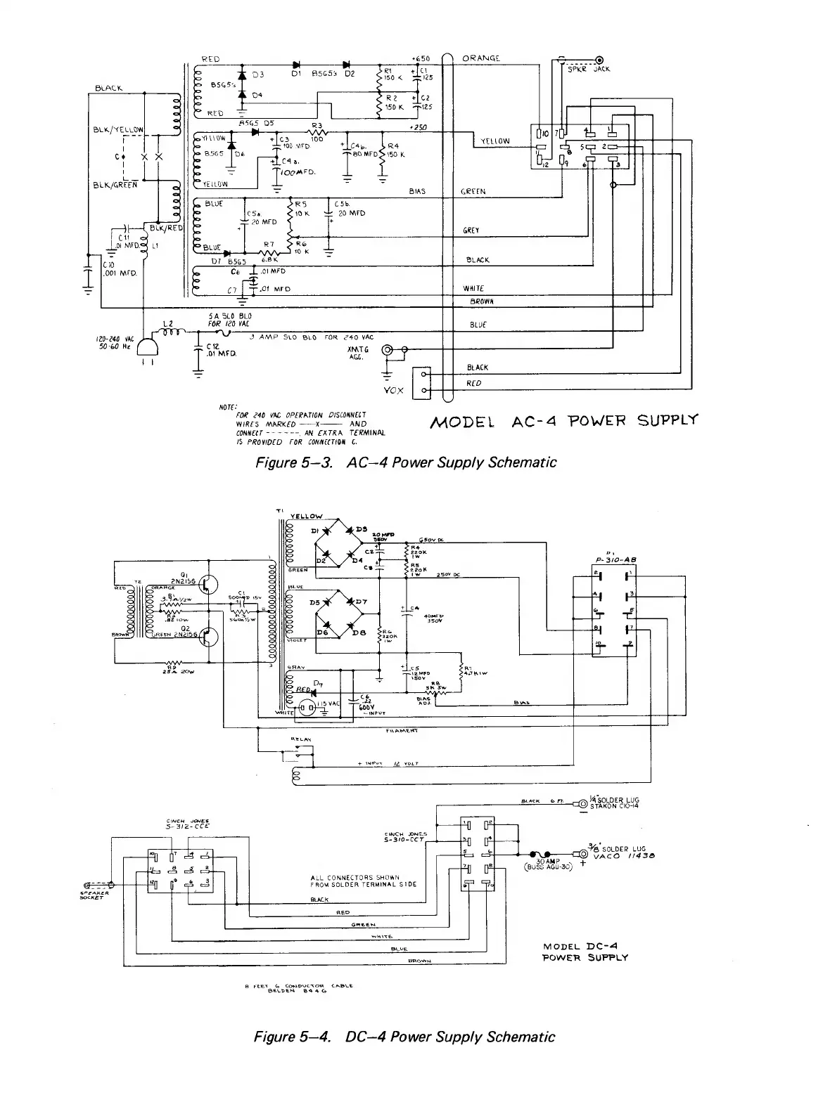
MODEL
AC-4
POWER
SUPPLY
CONNECT
~~
~
~~~
LAN
EXTRA
TERMINAL
15
PROVIDED
FOR
CONNECTION
C.
Figure
5-3.
AC--4
Power
Supply
Schematic
YELLOW
Py
P-310-AB
=
GREEN
cane
2
RED
Blue
0000
@
2N2156
(
)
GAANGE
\
a2
GREEN
ZNZI5§
ff)
bd
4OmED
350¥
BR
r
VioreT
FR
AMERT
+
INPUT
2
VOLT
ie
fr
YA
SOLDER
LUG
Bench
6
FO)
STAKON
C1014
CINCH
JONES.
S-B12-cce
CINCH JONES
S-310-CCOT
Ya"
souDeER
LUG
9)
CO
11438
soamp
yp
YO
(BUSS
AGU-3C)
ALL
CONNECTORS
SHOWN
FROM
SOLDER
TERMINAL
SIDE
©
SPEAKER
SOCKET
BLACK
MODEL
DC-4
POWER
SUPPLY
B
FEEY
G
CONPUCTOR
CABLE
BELEN
B44G
Figure
5—4.
DC—4
Power
Supply
Schematic

Related product manuals