EasyManua.ls Logo

DRAKE TR-4CW - Page 40

DRAKE TR-4CW
42 pages
Print Icon
To Next Page IconTo Next Page
To Next Page IconTo Next Page
To Previous Page IconTo Previous Page
To Previous Page IconTo Previous Page
Loading...
uy
%
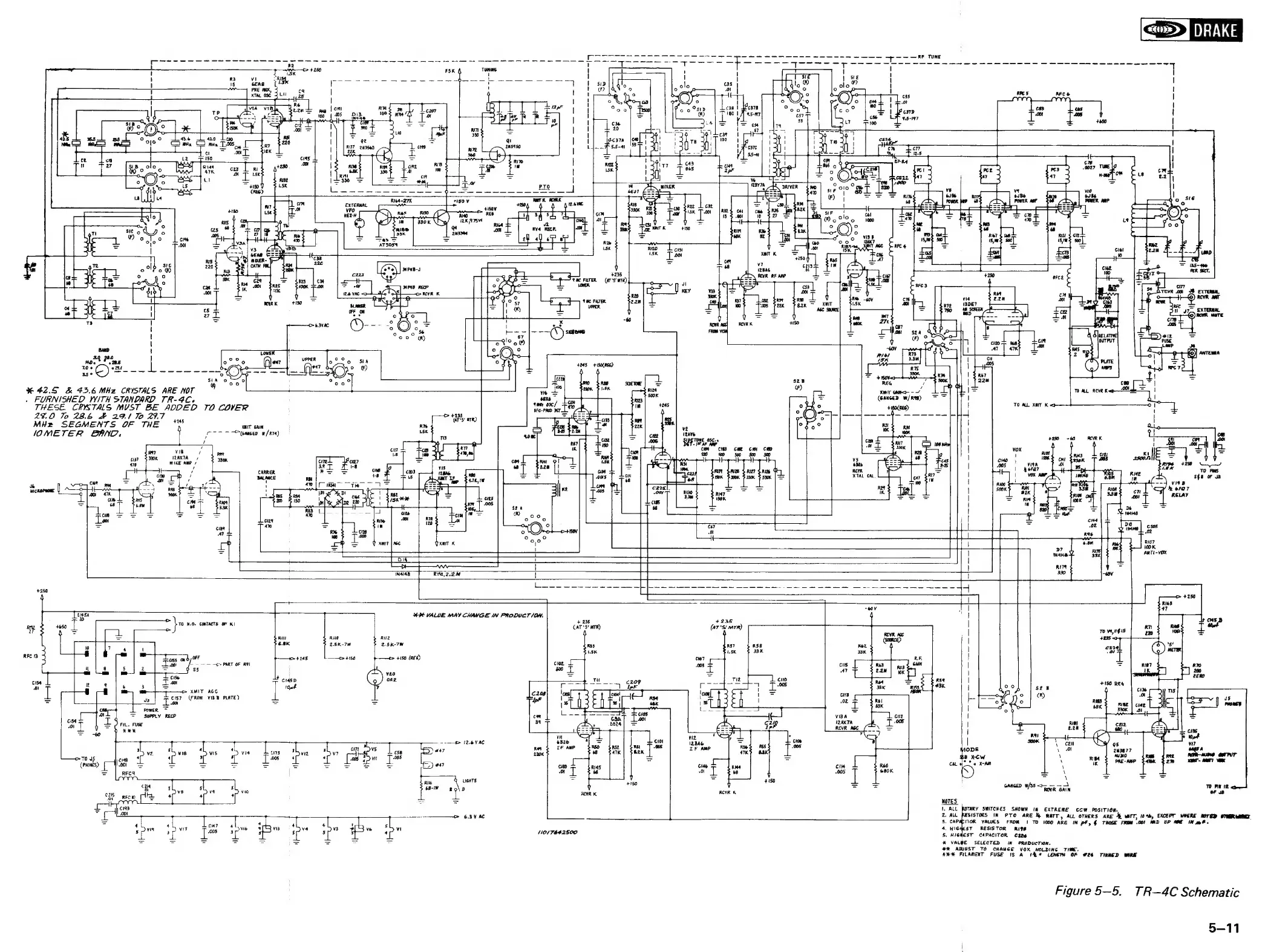
42.5
&
43.6
MHz
CRYSTALS
ARE
NOT
-
FURNISHED
WITH
STANDARD
_TR-4C.
THESE
CRYSTALS
MVST
BE
ADDED
TO
COVER
2%.0
To
28.6
&
29
To
29,7
MHz
SEGMENTS
OF
THE
‘*
vat
gain
1OMETER
BAND.
via
(2AXTA
ra
ence
w/a)
+250
RFC
IB
pec
FUER
(AT'S’
WTR)
LOWER,
CARRIER
BALANCE
Psi
:
ro)
'
Lass
Re
a
&
50
awe
R63
a0
one
470
a
en
IN4SI4B
RiO,2.26
3%
VALUE
MAY
CHANGE
IN
PRODUCT
/ON,
RUZ
256-70
+150
(REE)
¥20
oAz
=
12.6
AC
w47
UGHTS
1017642500
+235
—RE
TUNE
DRAKE
AFC
TO
AL
XaT
K
RIO7
100K
ANTI-VOX
NOTES
1,
ALC
ROTARY
SWITCHES
SHOWN
IN
EXTREME
CCW.
POSITION.
2.
ALL
iSTORS
IN
PTO
ARE
&
WATT,
ALL
OTHERS
ARE
*
WATT,
10
%h,
EXCEPT
WHERE
MOTED
OTRERWHMEX
3.
CAPACIIOR
VALUES
FROM
1
TD
1000
ARE
IN
pf,
¢
THOSE
FROW
001
AND
UP
ARE
IW
wf.
4.
HIGHEST
RESISTOR
RIGS
5.
HIGHEST
CAPACITOR
Care
*%
VALBE
SELECTED
IN
PRODUCTION.
we
=
AIUUST
TO
CHANGE
VOX
HOLDING
TIME.
RM
FILAMENT
FUSE
1S
A
1%
®
CLENETH
OF
#26
TINNED
WIRE
Figure
5—5.
TR—4C
Schematic
5-11

Related product manuals