EasyManua.ls Logo

DSPM Defender 3 - Section 1.5. Options; Section 1.6. Overview

DSPM Defender 3
54 pages
Print Icon
To Next Page IconTo Next Page
To Next Page IconTo Next Page
To Previous Page IconTo Previous Page
To Previous Page IconTo Previous Page
Loading...
Title: Micro
Doc No.: 018-1000-02
Description: Emergency Lighting Inverter Users Manual Date: 07/26/2016
Rev: NR
1.877.DSPM.POWERPhone : 1.877.377.6769-
909.930.3335Fax:
www.dspmanufacturing.com
Website:
techsupport@dspmanufacturing.com
E-Mail:
ECM120 and ECM277—Environmental Control Module
NOF—Normally OFF Circuit 120Vac or 277Vac
NOH—Normally OFF “Hold On” Circuit 120Vac or 277Vac
OCB—Output Circuit Breaker/(s) 120Vac or 277Vac
EPO—Emergency Power Off
EPO—Emergency Power Off
RSSP—Remote Indicator Panel
SNMP—SNMP Card
FAX—Fax Modem
MB—Modbus Interface
FC—Form C Contacts
STU3—Onsite Startup
EW—Extended Warranty
1.5. OPTIONS (See Unit Options for details)
The following options are available with the Three Phase inverter:
1.6. OVERVIEW.
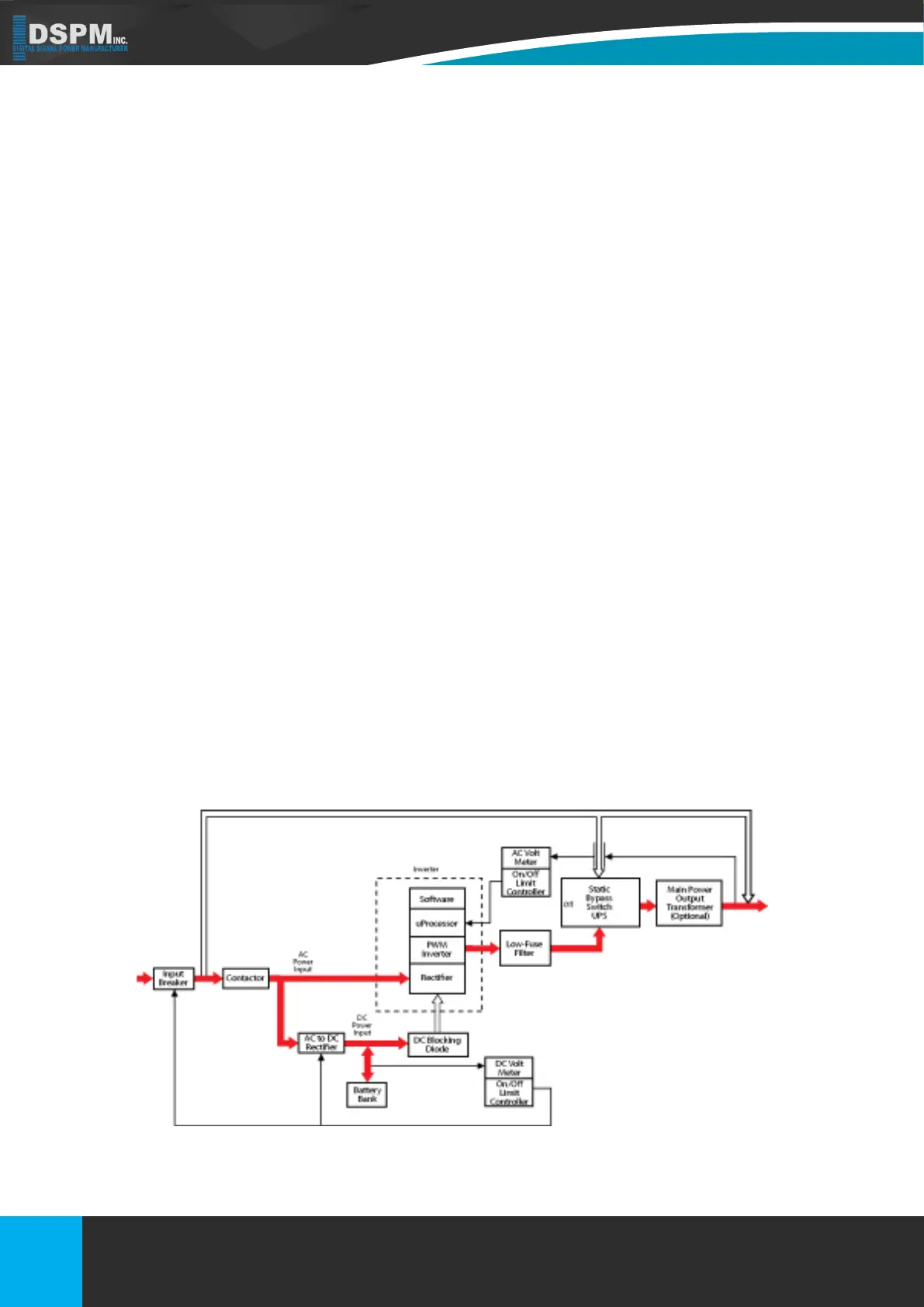
The UPS provides two power paths between the utility source and the critical load. Figure 1 shows the path for normal
operation, with the load powered from the inverter. Figure 2 shows the path for bypass operation, with the load supplied
through the static bypass line.
The Input circuit breaker (MCCB) for protection of the UPS and cables are eld supplied and eld installed. (See WARN-
ING 2 in section 1.0)
Figure 1 Single line Drawing - Normal operation
15
Title: Three Phase 208 or 208Y/120Vac
Doc No.: 018-6000-00
Description: Emergency Lighting Inverter User’s Manual
Rev: NR
Date: 08/12/2022
Phone :
Website:
E-Mail:
Fax:
1.877.DSPM.POWER-1.877.377.6769
1.877.DSPM.POWER-1.877.377.6769
www.dspmanufacturing.com
techsupport@dspmanufacturing.com

Related product manuals