EasyManua.ls Logo

Dual 704 - Circuit Diagram; Transistor Connections; Voltage Measurement Points

Dual 704
22 pages
Print Icon
To Next Page IconTo Next Page
To Next Page IconTo Next Page
To Previous Page IconTo Previous Page
To Previous Page IconTo Previous Page
Loading...
Dual
Fig.
1
EC
Ec
111
Hz
(33
1/3
Upm)
>7
mV
ss
R2
T
1
p
4,7
k
T1
Cl
47p
R
1
220
k
110/130V
220/240
V
50
—60
Hz.
R3
100
k
f
C4
0,47
µ
R5
470
R4
18k
C6
47
n
T2
II
89
22
k
R
11
22
k
D
1/1
N
4148
D
2/1
N
4148
T3
BC
172
B
BC
172
B
C7
47
n
R6
2k
88
22
k
T4
BC
17213
R
12
22
k
R
10
18k
R
13
100k
C8
4,7
n
R
14
10k
124V±5
R
45
5k
T5
BC
172
B
R
15
100
k
1
1
C9
47
n
R
16
II
6,2
k
T
0,125
A
1
C
52
0/
47
n
110V
..»
220
V
Gl.
1
IC
51
68
n
D
51
BY
183
300
851
22
k
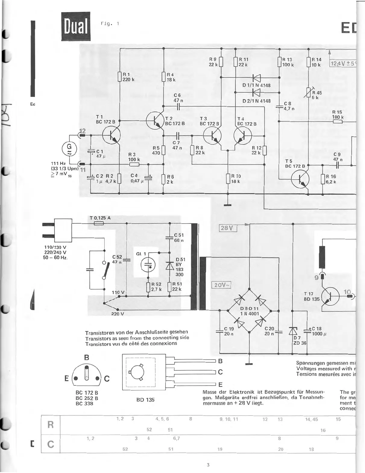
Transistoren
von
der
Anschlußseite
gesehen
Transistors
as
seen
from
the
connecting
side
Transistors
vus
du
cötä
des
connexions
BC
172
B
BC
252
B
BC
338
BD
135
[3,8V
_C19
C20
20n
20n
I
B
I
C
I
E
C18
ZD
361-1000
p
D7
Spannungen
gemessen
mi
Voltages
measured
with
n
Tensions
mesuräes
avec
jr
Masse
der
Elektronik
ist
Bezugspunkt
für
Messun-
The
gr
,
gen.
Meßgeräte
erdfrei
anschließen,
da
Tonabneh-
for
ma
mermasse
an
+
28
V
liegt.
ment
t
connec
1,2
3
4,
5,
6
8
52
51
1,2
3
4
6,7
9,
10,
11
12
13
14,45
15
16
8
9
52
51
19
20
18
3

Other manuals for Dual 704

Related product manuals