EasyManua.ls Logo

Dual 704 - Page 4

Dual 704
22 pages
Print Icon
To Next Page IconTo Next Page
To Next Page IconTo Next Page
To Previous Page IconTo Previous Page
To Previous Page IconTo Previous Page
Loading...
)S
900
7R
21
2,5k
R
18
1,8k
Drehzahlschalter
Platter
speed
switch
(45
Upm)
Commutateur
de
vitesse
(33
1/3
Upm)
20
/
22
10k
T-
k
I
R23
R19
12k
10
k
I
R17
R25
R26
62k
3k
3k
T6
R
24
8C172BJ
6,2k
D4
1
N
4148
+C
10
11.1
R
27
C11
+
C12
—0,47/2
—0,47
bt
T7
BC
252
13
T9
BC
172
13
R
29
1,8
k
T8
BC
252
B
R
30
2,2
M
T
10
BC
1728
R
33
4,7
k
R
31
2,2
M
--
1
7
1
-1
28
3k
R
32
R
46
33
k
R
34
33
k
05
C6
V2
06
C
6
V
2
R
43
1,1
k
8
T
16
BD
135
T
15
BD
135
7
5
R
42
1,1
k
D
-
X
-c
2
T
14
BD
135
R
44
150
R
41
5,6
t
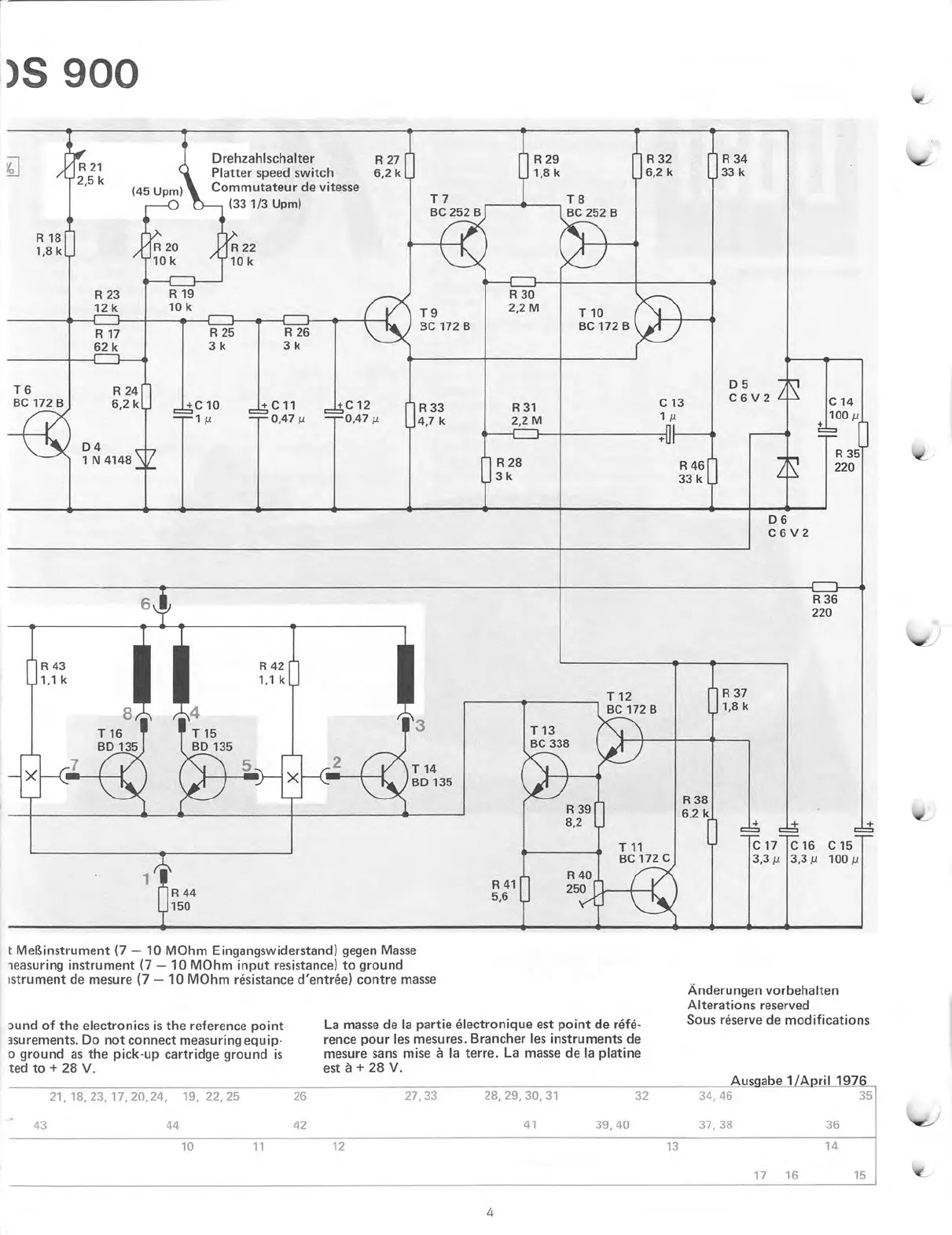
Meßinstrument
(7
10
MOhm
Eingangswiderstand)
gegen
Masse
leasuring
instrument
(7
10
MOhm
input
resistance)
to
ground
istrument
de
mesure
(7
10
MOhm
rösistance
d'entröe)
contre
masse
Dund
of
the
electronics
is
the
reference
point
3surements.
Do
not
connect
measuring
equip-
o
ground
as
the
pick
-up
cartridge
ground
is
ted
to
+
28
V.
T
12
La
masse
de
la
partie
ölectronique
est
point
de
räfö-
rence
pour
les
mesures.
Brancher
les
instruments
de
mesure
sans
mise
ä
la
terre.
La
masse
de
la
platine
est
ä
+
28
V.
R
37
1,8
k
R
38
6.2
k
C
14
100p
R
35
-
220
1
R
36
220
4
1=2›
===
===
C17
C16
C15
3,3j
3,3u
100/1
Änderungen
vorbehalten
Alterations
reserved
Sous
röserve
de
modifications
Ausgabe
1/April
1976
21,
18,
23,
17,
20, 24,
19,
22,
25
26
27,33
28, 29,
30,31
32
34,46
35
43
44
42
41
39,40
37,38
36
10
11
12
13
14
17
16
15
4

Other manuals for Dual 704

Related product manuals