EasyManua.ls Logo

Ducar D8600i - Diagrams

Ducar D8600i
28 pages
Print Icon
To Previous Page IconTo Previous Page
To Previous Page IconTo Previous Page
Loading...
DIAGRAM
28
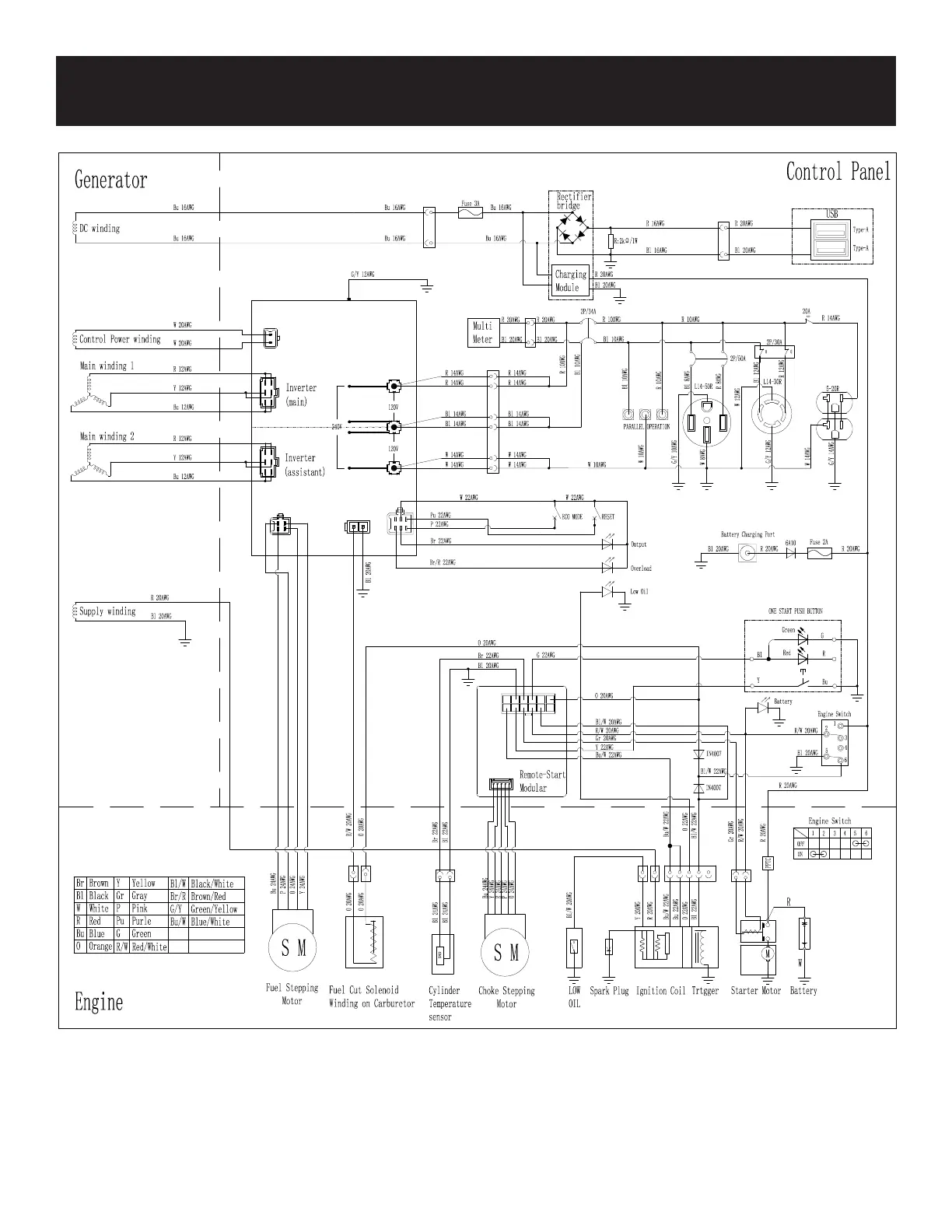
Generator
Bul6AIG
Bul6AIG
DC
winding
Bul6AIG
Bul6AIG
G/Yl2AIG
120AIG
Control
Power
winding
120AIG
Main
winding
1
Rl2AIG
Y12AWG
Inverter
i
llul2A\fG
(main)
120V
-----
Rl2AIG
l
120V
Yl2AIG
Inverter
Bul2AIG
(assistant)
R!IIAIG
Supply
winding
Bl!IIAIG
Br
Brown
y
Yellow
Bl/W
Black/White
Bl
Black
Gr
Gray
Br/R
Brown/Red
W
White
p
Pink
G/Y
Green/Yellow
R
Red
Pu
Purle
Bu/W
Blue/White
Bu
Blue
G
Green
0
Orange
R/W
Red/White
SM
Engine
Fuel
Stepping
Fuel
Cut
Solenoid
Motor
Winding
on
Carburetor
Rl!AfG
Rl!AfG
Bll!AfG
Bll!AfG
fl!AIG
114AIG
122AIG
Pu22AIG
P22AIG
Br22AIG
Br/R22AfG
020.\fG
Br22AWG
Bl20AIG
2P/34A
Rl!AIG
Rl!AIG
Bll!AIG
Bll!AIG
114AIG
114AIG
i22AIG
EtllVOOE
Remote-Start
Modular
RIOAfG
!IOAfG
lll!iET
//
//
//
Control
Panel
R16AJG
R20AIG
Bll6AfG
Bl20AIG
2
~
Rl4AIG
llatteryChargingPort
!Mtput
R!IIAIG
Overload
Lo,
llil
ONESIARTPUSHllllTlm
Green~
Bl
Red~
Bu
IN4007
Engine
Switch
l?lll
T
lffil
Cylinder
Temperature
sensor
Choke
Stepping
Motor
LOW
Spark
Plug
Ignition
Coil
Trtgger
Starter
Motor
Battery
OIL

Related product manuals