EasyManua.ls Logo

Duke FWM3-13 - Page 30

Duke FWM3-13
34 pages
Print Icon
To Next Page IconTo Next Page
To Next Page IconTo Next Page
To Previous Page IconTo Previous Page
To Previous Page IconTo Previous Page
Loading...
Installation and Operation of Product Holding Cabinets
30
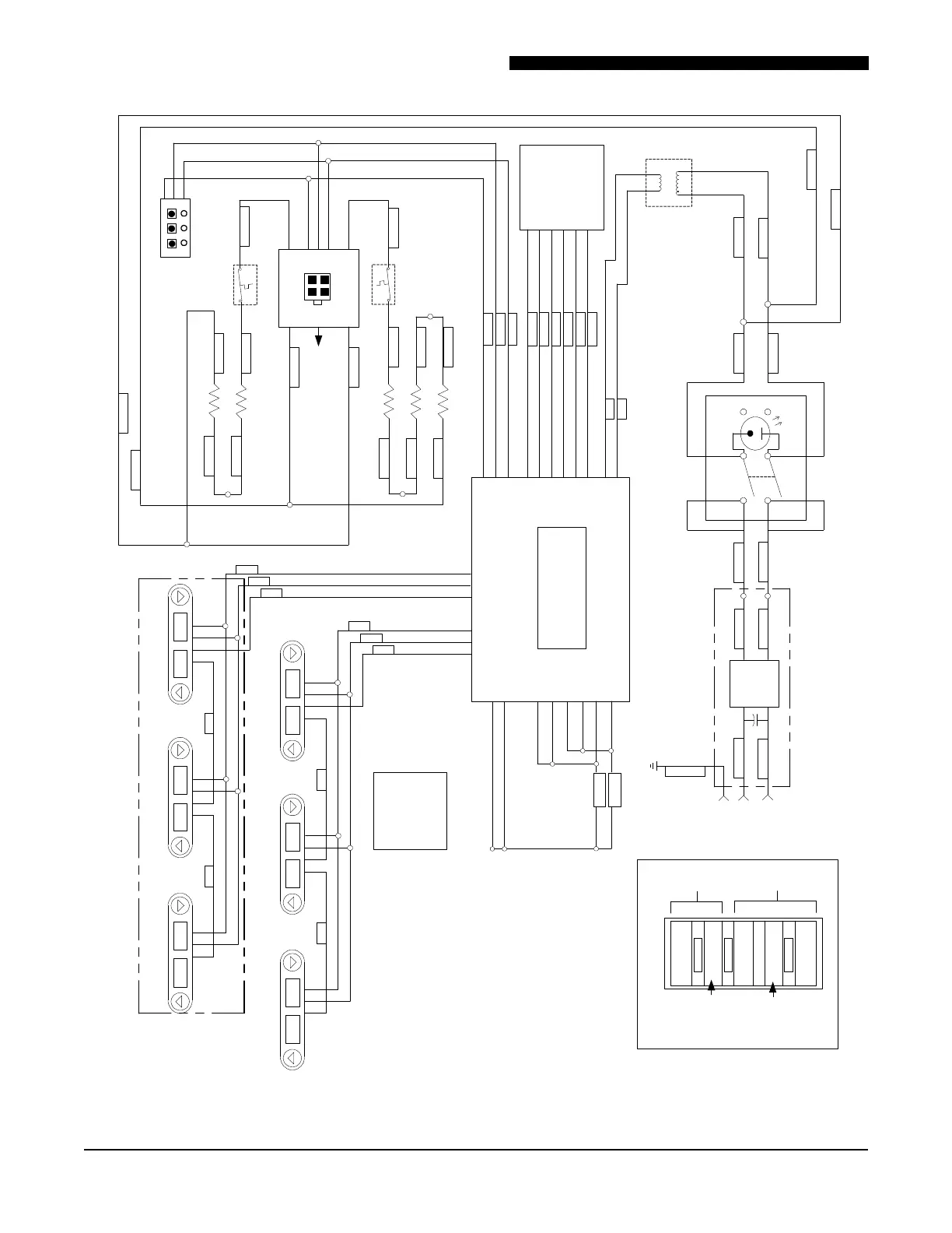
FWM 5x1Internal Wiring Schematic
P2-14
P2-15
BLK
BLK
USB
HOST
UHA-7
P2-18
P2-8
P2-19
P2-9
ORN
YEL
WHT
GRN
HMC-34
CONTROLLER
12VAC
+5VDC
GND
Tx
Rx
+5VDC
GND
DATA
GND
+5V
DATA FRONT
P2-1
P2-2
P2-3
RED
BLK
YEL
8888 8888 ---- 8888
8888 8888
F1 F2 F3
BLK
RED
GRN
P2-5
P2-4
P2-6
WHT
GRN
SPS-204
KEYPAD
HEATER #1
P2-10
BLK
P2-20
RED
RTS
CTS
RTD 1
RTD 2
P1-14
P1-7
P1-8
P1-1
P1-13
P1-6
P1-12
P1-5
FRONT
RTD 1
RTD 2
F2
F1
F3
WELL 1
WELL 2
WELL 3
WELL 4
WELL 5
H
E
A
T
E
R
#1
H
E
A
T
E
R
#2
6
5
4
3
2
1
GND
+5V
DATA REAR
8888 8888 ---- 8888
8888 8888
R1 R2 R3
BLK
RED
WHT
P2-12
P2-11
P2-13
YEL
WHT
1 2 3 4
1 2 3 4
3 2 14 3 2 14 3 2 1
1 2 3
4
4
3
2
1
1
3
2
4
POWER
MODULE
#1 - #2
1
2
3
AUX TSTAT
AUX TSTAT
14
GRY
10 RED
8 RED
12
GRY
1 BLU
4 BLU
10 BLU
10 BLU
1 BLK
4 BLK
12 VAC
XFMR
11
GRY
7 RED
14
GRY
10 RED
2
GRY
1 RED
4
GRY
3 RED
POWER
SWITCH
24 WHT
23 BLK
22 BRN
21 BLU
EMI
FILTER
VAC IN
GND
GRN/YEL
L2
L1
2 BLU
3 BLK
HEATER #2
HEATER #3
2 BLK
3 BLU
5 BLK
5 BLU
HEATER #5
HEATER #4
1
2
3
SPS-22
DAYPART SWITCH
(option)
UNITS WITH REAR DISPLAYS
CE ONLY

Other manuals for Duke FWM3-13

Related product manuals