EasyManua.ls Logo

Duke SUB-GP - Electrical and Troubleshooting; Electrical Schematic Diagram

Duke SUB-GP
11 pages
Print Icon
To Next Page IconTo Next Page
To Next Page IconTo Next Page
To Previous Page IconTo Previous Page
To Previous Page IconTo Previous Page
Loading...
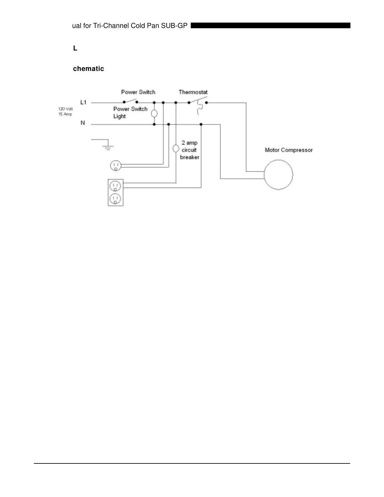
Service Manual for Tri-Channel Cold Pan SUB-GP
10
ELECTRICAL
Electrical Schematic
Figure 7 Electrical Schematic

Related product manuals