EasyManua.ls Logo

Dunkirk DCB-125 - Page 81

Dunkirk DCB-125
117 pages
Print Icon
To Next Page IconTo Next Page
To Next Page IconTo Next Page
To Previous Page IconTo Previous Page
To Previous Page IconTo Previous Page
Loading...
9
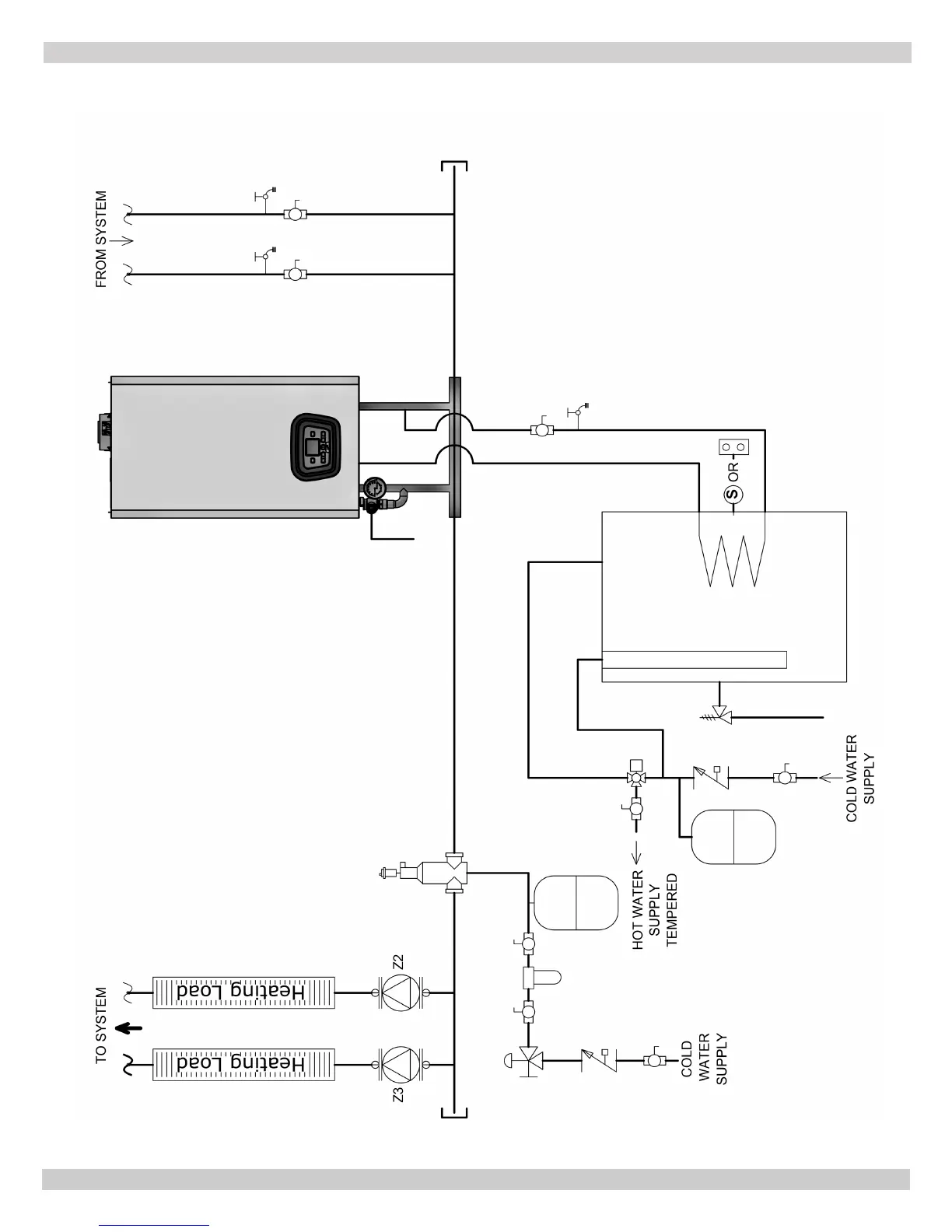
125 WITH ZONE CIRCULATOR PUMPS
125 with Zone Circulator Pumps
PN 240011430 REV G, [03/31/18]

Table of Contents

Other manuals for Dunkirk DCB-125

Related product manuals