EasyManua.ls Logo

Dunkirk DCB-125 - IMPORTANT SAFETY INFORMATION; General Boiler Installation; Installation Compliance

Dunkirk DCB-125
117 pages
Print Icon
To Next Page IconTo Next Page
To Next Page IconTo Next Page
To Previous Page IconTo Previous Page
To Previous Page IconTo Previous Page
Loading...
15
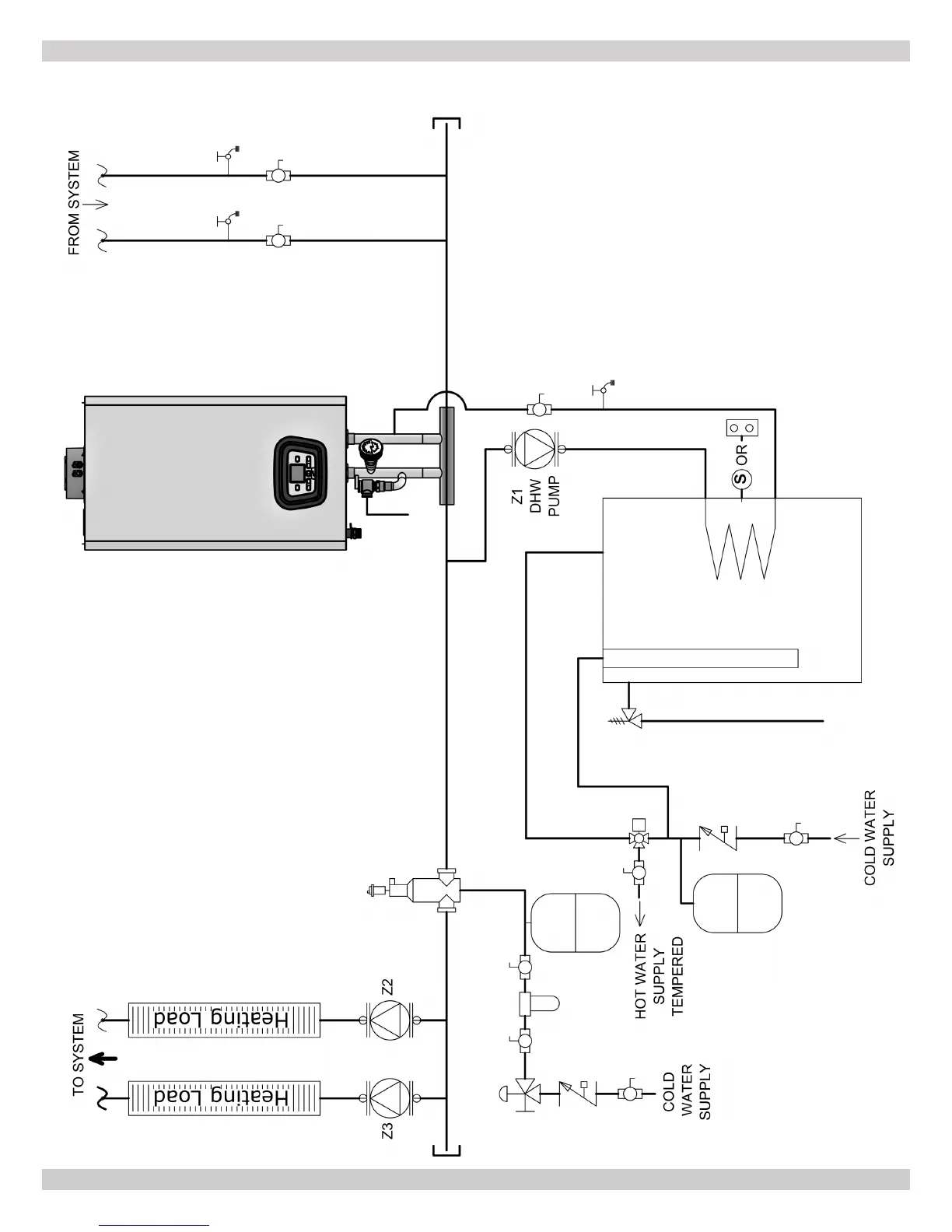
165 WITH ZONE CIRCULATOR PUMPS - PIPING DIAGRAM
165 with Zone Circulator Pumps
PN 240011430 REV G, [03/31/18]

Table of Contents

Other manuals for Dunkirk DCB-125

Related product manuals